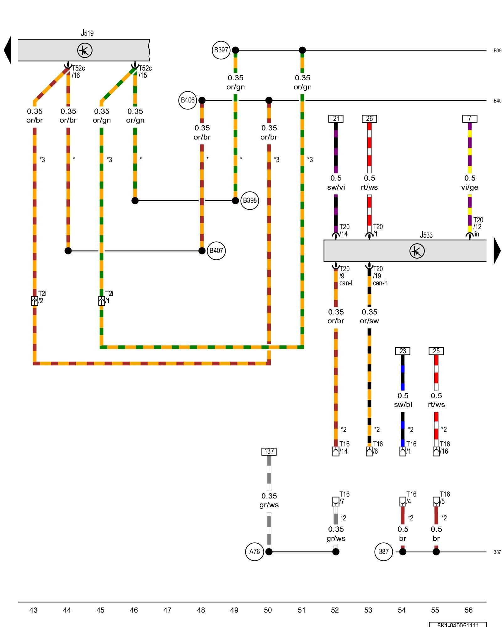
Diagram 40/5 (Tracks 43-56)
IMPORTANT NOTE:
This manufacturer uses "Track" style wiring diagrams.
For information on how to use these diagrams effectively, please refer to Diagram Information and Instructions. Diagram Information and Instructions
Data bus on board diagnostic interface

ws = white
sw = black
ro = red
br = brown
gn = green
bl = blue
gr = grey
li = lilac
ge = yellow
or = orange
rs = pink
J519 - Vehicle electrical system control module Control modules in front part of vehicle - Overview of Control Modules
J533 - Data bus on board diagnostic interface, in the left footwell, near the center console Control modules in front part of vehicle - Overview of Control Modules
T2i - Double connector, under the instrument panel, left
T16 - 16-pin connector, under the instrument panel, left
T20 - 20-pin connector
T52c - 52-pin connector
(387) - Ground connection 22 (in main wiring harness)
(A76) - KS-diagnostic lead connection (in instrument panel wiring harness)
(B397) - Comfort system CAN bus high connection 1 (in main wiring harness)
(B398) - Comfort system CAN bus high connection 2 (in main wiring harness)
(B406) - Comfort system CAN bus low connection 1 (in main wiring harness)
(B407) - Comfort system CAN bus low connection 2 (in main wiring harness)
* - Only for vehicles without a trailer socket
*2 - Diagnostic connector
*3 - Only for vehicles with trailer socket
Previous Diagram 40/4 (Tracks 29-42)
Next Diagram 40/6 (Tracks 57-70)