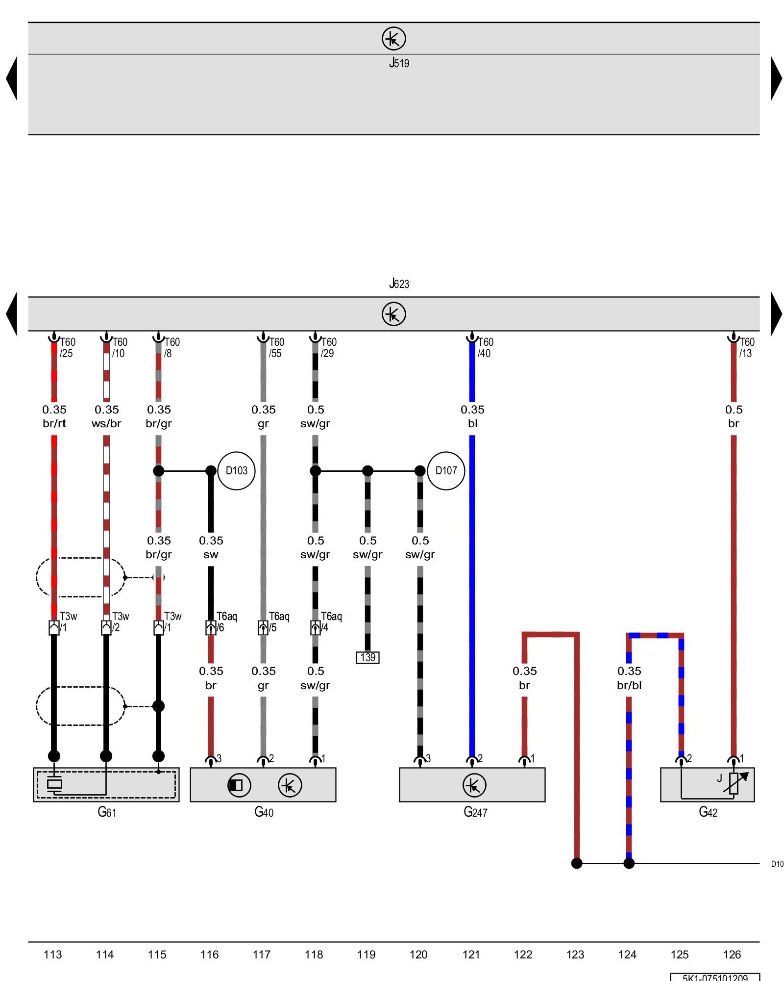
Diagram 75/10 (Tracks 113-126)
IMPORTANT NOTE:
This manufacturer uses "Track" style wiring diagrams.
For information on how to use these diagrams effectively, please refer to Diagram Information and Instructions. Diagram Information and Instructions
Camshaft position sensor, Intake air temperature sensor, Knock sensor 1, Fuel pressure sensor

ws = white
sw = black
ro = red
br = brown
gn = green
bl = blue
gr = grey
li = lilac
ge = yellow
or = orange
rs = pink
G40 - Camshaft position sensor
Locations
G42 - Intake air temperature sensor
Locations
G61 - Knock sensor 1
Locations
G247 - Fuel pressure sensor
Locations
J519 - Vehicle electrical system control module Control modules in front part of vehicle - Overview of Control Modules
J623 - Engine control module, in the center plenum chamber Control modules in front part of vehicle - Overview of Control Modules
T3w - 3-pin connector, on the engine, front
T6aq - 6-pin connector, on the engine, front
T60 - 60-pin connector
(D101) - Connection (1) (in engine compartment wiring harness)
(D103) - Connection (3) (in engine compartment wiring harness)
(D107) - Connection (5) (in engine compartment wiring harness)
Previous Diagram 75/9 (Tracks 99-112)
Next Diagram 75/11 (Tracks 127-140)