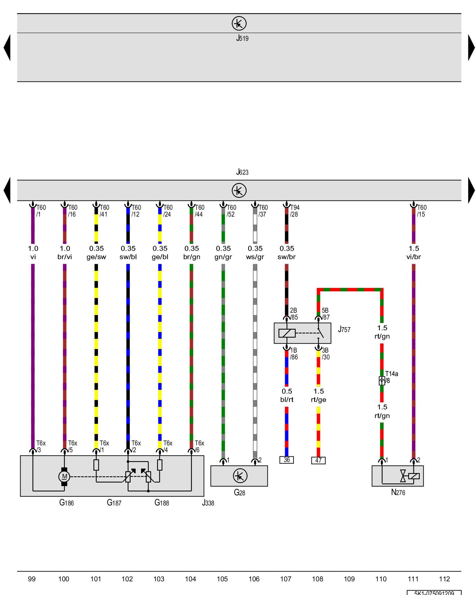
Diagram 75/9 (Tracks 99-112)
IMPORTANT NOTE:
This manufacturer uses "Track" style wiring diagrams.
For information on how to use these diagrams effectively, please refer to Diagram Information and Instructions. Diagram Information and Instructions
Engine speed sensor, Throttle valve control module, Fuel pressure regulator valve

ws = white
sw = black
ro = red
br = brown
gn = green
bl = blue
gr = grey
li = lilac
ge = yellow
or = orange
rs = pink
G28 - Engine speed sensor
Locations
G186 - EPC throttle drive
Locations
G187 - EPC throttle drive angle sensor 1
Locations
G188 - EPC throttle drive angle sensor 2
Locations
J338 - Throttle valve control module
Locations
J519 - Vehicle electrical system control module Control modules in front part of vehicle - Overview of Control Modules
J623 - Engine control module, in the center plenum chamber Control modules in front part of vehicle - Overview of Control Modules
J757 - Engine component power supply relay
N276 - Fuel pressure regulator valve
Locations
T6x - 6-pin connector
T14a - 14-pin connector, near the battery Overview of connector stations and connectors
T60 - 60-pin connector
T94 - 94-pin connector
Previous Diagram 75/8 (Tracks 85-98)
Next Diagram 75/10 (Tracks 113-126)