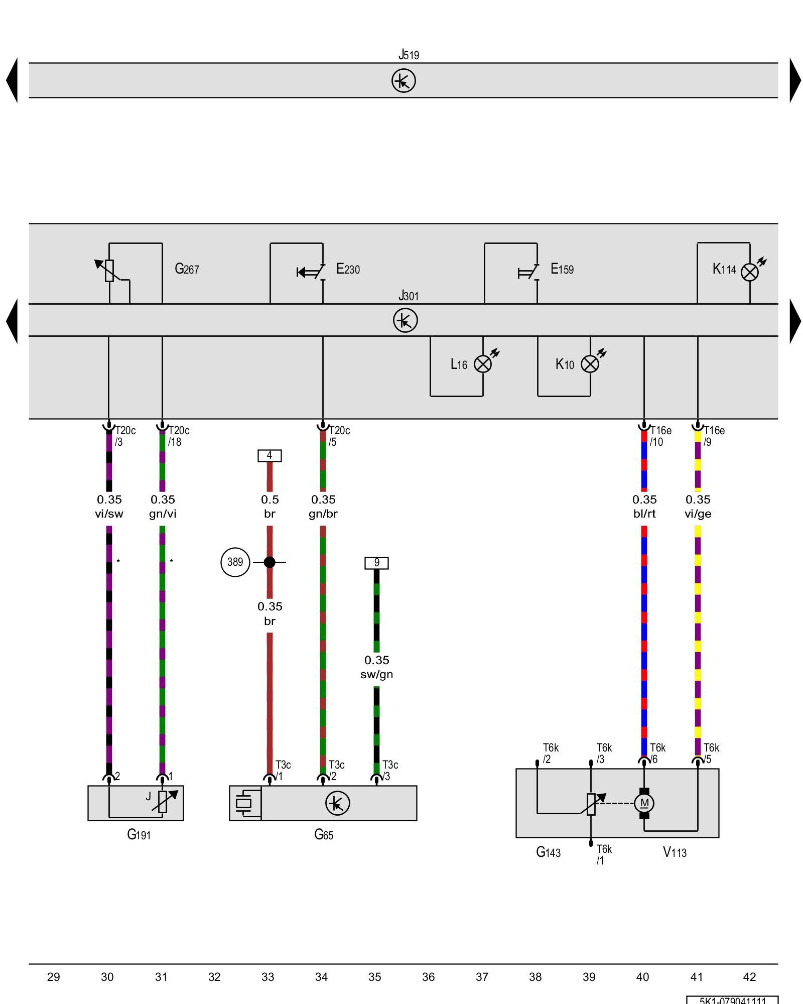
Diagram 79/4 (Tracks 29-42)
IMPORTANT NOTE:
This manufacturer uses "Track" style wiring diagrams.
For information on how to use these diagrams effectively, please refer to Diagram Information and Instructions. Diagram Information and Instructions
High pressure sensor, Center vent temperature sensor, A/C control module, Recirculation door motor

ws = white
sw = black
ro = red
br = brown
gn = green
bl = blue
gr = grey
li = lilac
ge = yellow
or = orange
rs = pink
E159 - Fresh air/recirculation door switch Climatic (Manual Climate Control) A/C System w/ Manual Control Overview
E230 - Rear window defogger button Climatic (Manual Climate Control) A/C System w/ Manual Control Overview
G65 - High pressure sensor Locations Diagrams
G143 - Recirculation door motor position sensor Climatic (Manual Climate Control) A/C System w/ Manual Control Overview
G191 - Center vent temperature sensor Climatic (Manual Climate Control) A/C System w/ Manual Control Overview Center Vent Temperature Sensor -G191-
G267 - Temperature selector knob potentiometer Climatic (Manual Climate Control) A/C System w/ Manual Control Overview
J301 - A/C control module, in the instrument panel, center Climatic (Manual Climate Control) A/C System w/ Manual Control Overview A/C Control Module -J301-
J519 - Vehicle electrical system control module Control modules in front part of vehicle - Overview of Control Modules
K10 - Rear window defogger indicator lamp
K114 - Fresh air and recirculation mode indicator lamp
L16 - Fresh air control illumination bulb
T3c - 3-pin connector
T6k - 6-pin connector
T16e - 16-pin connector
T20c - 20-pin connector
V113 - Recirculation door motor Climatic (Manual Climate Control) A/C System w/ Manual Control Overview [1][2]Air Door Actuator / Motor, HVAC
(389) - Ground connection 24 (in main wiring harness)
* - Through October 2010
Previous Diagram 79/3 (Tracks 15-28)
Next Diagram 79/5 (Tracks 43-56)