Operation CHARM: Car repair manuals for everyone.

Diagram 59/8 (Tracks 85-98)






IMPORTANT NOTE:
This manufacturer uses "Track" style wiring diagrams.
For information on how to use these diagrams effectively, please refer to Diagram Information and Instructions. Diagram Information and Instructions


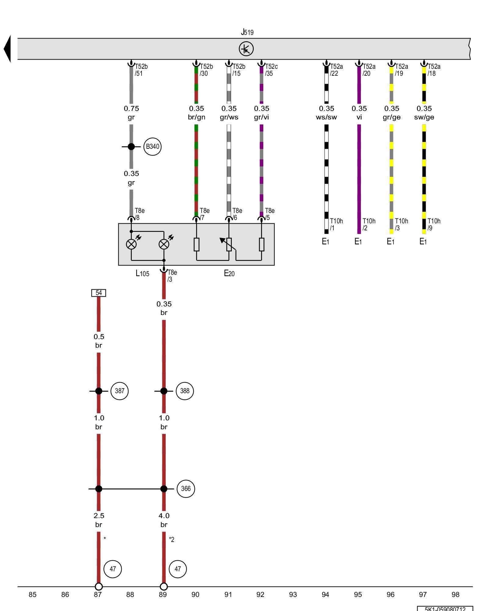
Instrument panel and switch illumination dimmer switch, Vehicle electrical system control module





ws = white
sw = black
ro = red
br = brown
gn = green
bl = blue
gr = grey
li = lilac
ge = yellow
or = orange
rs = pink

E1 - Light switch

E20 - Instrument panel and switch illumination dimmer switch

J519 - Vehicle electrical system control module Control modules in front part of vehicle - Overview of Control Modules

L105 - Lighting control illumination bulb

T8e - 8-pin connector

T10h - 10-pin connector

T52a - 52-pin connector

T52b - 52-pin connector

T52c - 52-pin connector

(47) - Ground connection in right front footwell Overview Of Ground Connections in Interior

(366) - Ground connection 1 (in main wiring harness)

(387) - Ground connection 22 (in main wiring harness)

(388) - Ground connection 23 (in main wiring harness)

(B340) - Connection 58d (in main wiring harness) 1

* - Only for vehicles without Start/Stop system

*2 - Only for vehicles with Start/Stop system

Previous Diagram 59/7 (Tracks 71-84)