Operation CHARM: Car repair manuals for everyone.

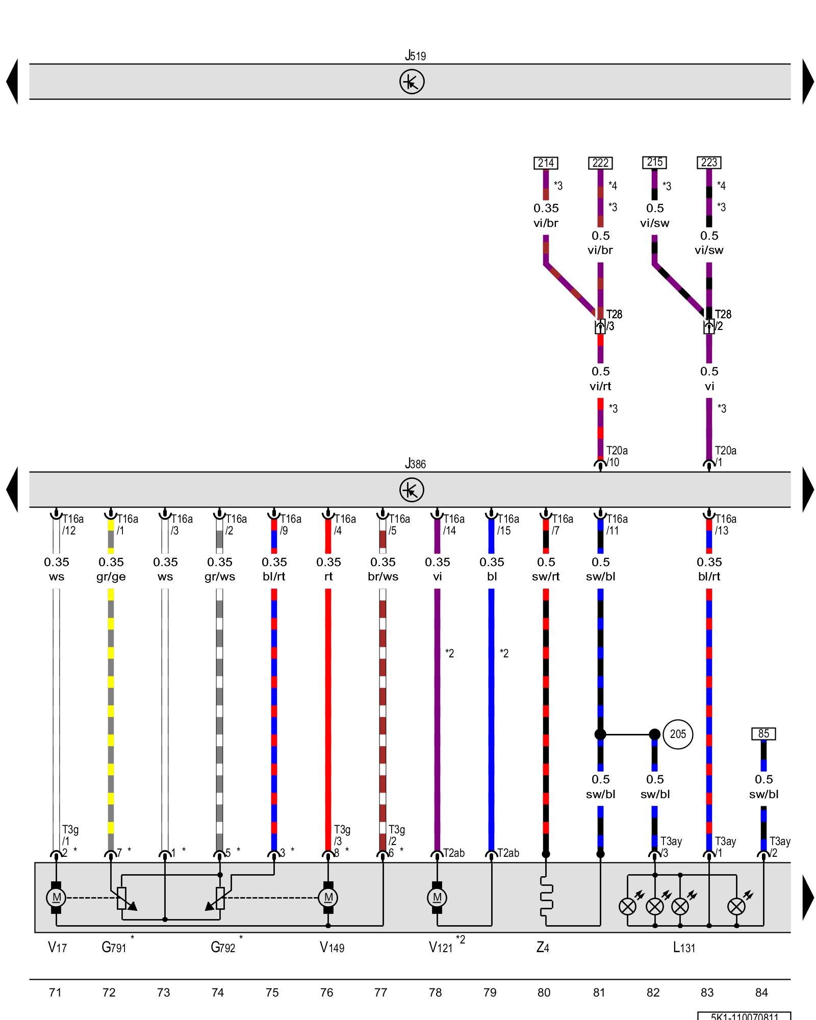
Diagram 110/7 (Tracks 71-84)






IMPORTANT NOTE:
This manufacturer uses "Track" style wiring diagrams.
For information on how to use these diagrams effectively, please refer to Diagram Information and Instructions. Diagram Information and Instructions


Exterior rearview mirror horizontal adjustment position sensor, Exterior rearview mirror vertical adjustment position sensor, Driver door control module, Driver exterior rearview mirror turn signal bulb, Driver mirror adjustment motor, Driver exterior rearview mirror folding motor, Heated driver exterior rearview mirror





ws = white
sw = black
ro = red
br = brown
gn = green
bl = blue
gr = grey
li = lilac
ge = yellow
or = orange
rs = pink

G791 - Exterior rearview mirror horizontal adjustment position sensor

G792 - Exterior rearview mirror vertical adjustment position sensor

J386 - Driver door control module Locations Driver Door Control Module -J386-

J519 - Vehicle electrical system control module Control modules in front part of vehicle - Overview of Control Modules

L131 - Driver exterior rearview mirror turn signal bulb

T2ab - Double connector

T3ay - 3-pin connector

T3g - 3-pin connector

T16a - 16-pin connector

T20a - 20-pin connector

T28 - 28-pin connector, in the left A-pillar connector station Overview of connector stations and connectors

V17 - Driver mirror adjustment motor

V121 - Driver exterior rearview mirror folding motor

V149 - Driver mirror adjustment motor

Z4 - Heated driver exterior rearview mirror

(205) - Ground connection (in driver door wiring harness)

* - Depending on equipment

*2 - Only for vehicles with folding mirrors

*3 - Only for vehicles with automatic dimming exterior rearview mirror

*4 - Only for vehicles with high beam assist

Previous Diagram 110/6 (Tracks 57-70)

Next Diagram 110/8 (Tracks 85-98)