Operation CHARM: Car repair manuals for everyone.

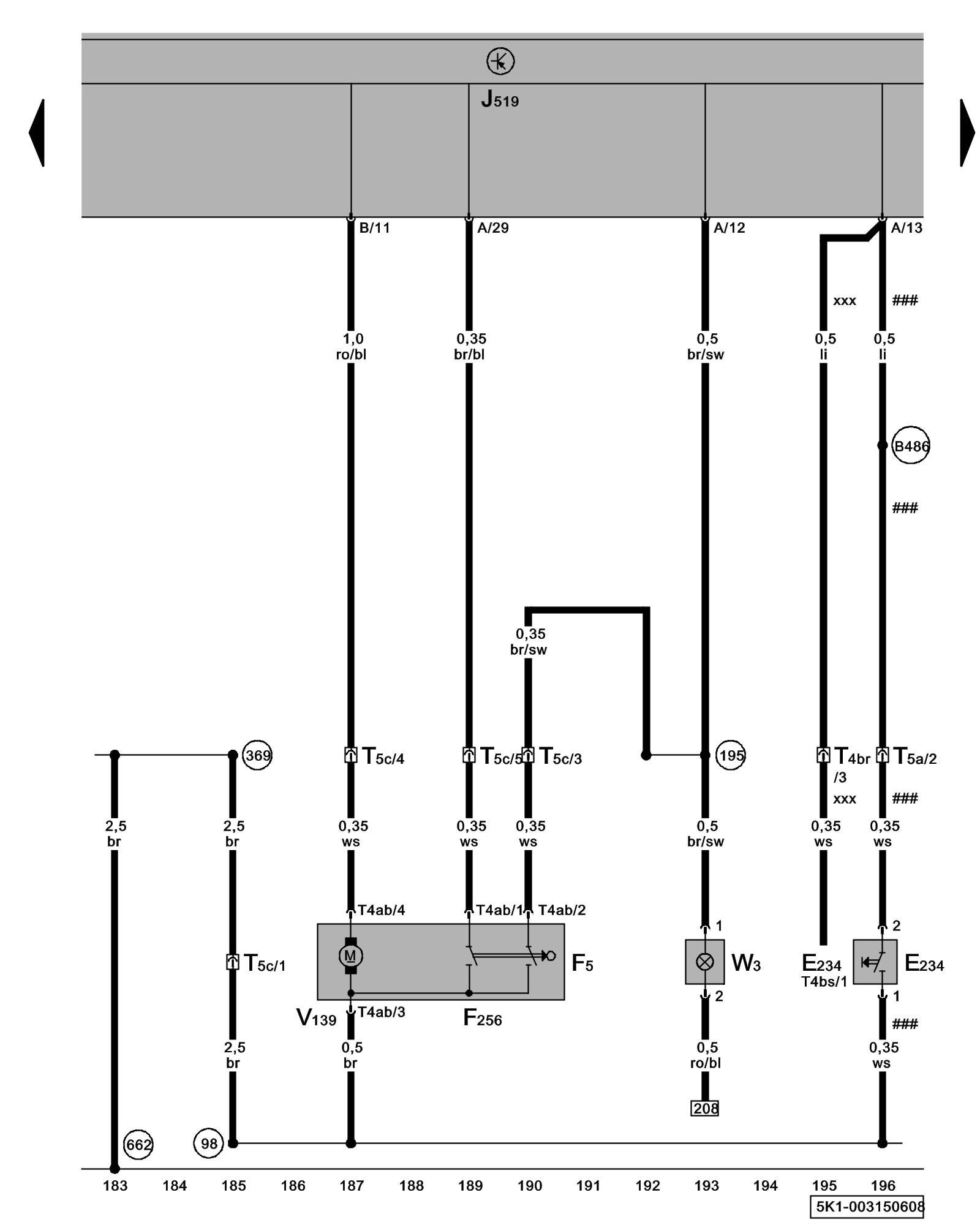
Diagram 3/15 (Tracks 183-196)






IMPORTANT NOTE:
This manufacturer uses "Track" style wiring diagrams.
For information on how to use these diagrams effectively, please refer to Diagram Information and Instructions. Diagram Information and Instructions


Rear Lid Release, Rear Lid Lock Unit, Luggage Compartment Light





ws = white
sw = black
ro = red
br = brown
gn = green
bl = blue
gr = grey
li = lilac
ge = yellow
or = orange
rs = pink

E234 - Rear Lid Handle Unlock Switch

F5 - Luggage Compartment Light Switch

F256 - Rear Lid Lock Unit Locations

J519 - Vehicle Electrical System Control Module Control modules in front part of vehicle - Overview of Control Modules

T4ab - 4-Pin Connector

T4br - 4-Pin Connector, black, behind right C-pillar trim Overview of connector stations and connectors

T4bs - 4-Pin Connector

T5a - 5-Pin Connector, black, in left rear side panel Overview of connector stations and connectors

T5c - 5-Pin Connector, brown, in left rear side panel Overview of connector stations and connectors

V139 - Rear Lid Unlock Motor

W3 - Luggage Compartment Light

(98) - Ground Connection (in rear lid wiring harness)

(195) - Ground Connection (in rear door contact switch wiring harness)

(369) - Ground Connection 4 (in main wiring harness)

(662) - Ground Connection (on left rear C-pillar)

(B486) - Connection 22 (in main wiring harness)

xxx - Only models with Rear View Camera

### - Only models without Rear View Camera

Previous Diagram 3/14 (Tracks 169-182)

Next Diagram 3/16 (Tracks 197-210)