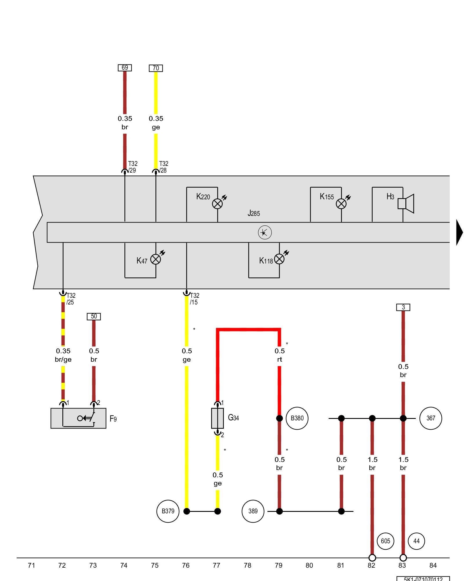
Diagram 71/7 (Tracks 71-84)
IMPORTANT NOTE:
This manufacturer uses "Track" style wiring diagrams.
For information on how to use these diagrams effectively, please refer to Diagram Information and Instructions. Diagram Information and Instructions
Left front brake pad wear sensor, Warning buzzer and tone, Instrument cluster control module, ABS indicator lamp, Brake system indicator lamp, ASR/ESP indicator lamp, Tire pressure monitoring display indicator lamp

ws = white
sw = black
ro = red
br = brown
gn = green
bl = blue
gr = grey
li = lilac
ge = yellow
or = orange
rs = pink
F9 - Parking brake indicator lamp switch
G34 - Left front brake pad wear sensor
H3 - Warning buzzer and tone
J285 - Instrument cluster control module Control modules in front part of vehicle - Overview of Control Modules
K47 - ABS indicator lamp
K118 - Brake system indicator lamp
K155 - ASR/ESP indicator lamp
K220 - Tire pressure monitoring display indicator lamp
T32 - 32-pin connector
(44) - Ground connection on A-pillar, lower left Overview Of Ground Connections in Interior
(367) - Ground connection 2 (in main wiring harness)
(389) - Ground connection 24 (in main wiring harness)
(605) - Ground connection on upper steering column Overview Of Ground Connections in Interior
(B379) - Brake wear indicator connection 1 (in main wiring harness)
(B380) - Brake wear indicator connection 2 (in main wiring harness)
* - Only for vehicles with brake pad wear indicator
Previous Diagram 71/6 (Tracks 57-70)
Next Diagram 71/8 (Tracks 85-98)