Operation CHARM: Car repair manuals for everyone.

Diagram 71/4 (Tracks 29-42)






IMPORTANT NOTE:
This manufacturer uses "Track" style wiring diagrams.
For information on how to use these diagrams effectively, please refer to Diagram Information and Instructions. Diagram Information and Instructions


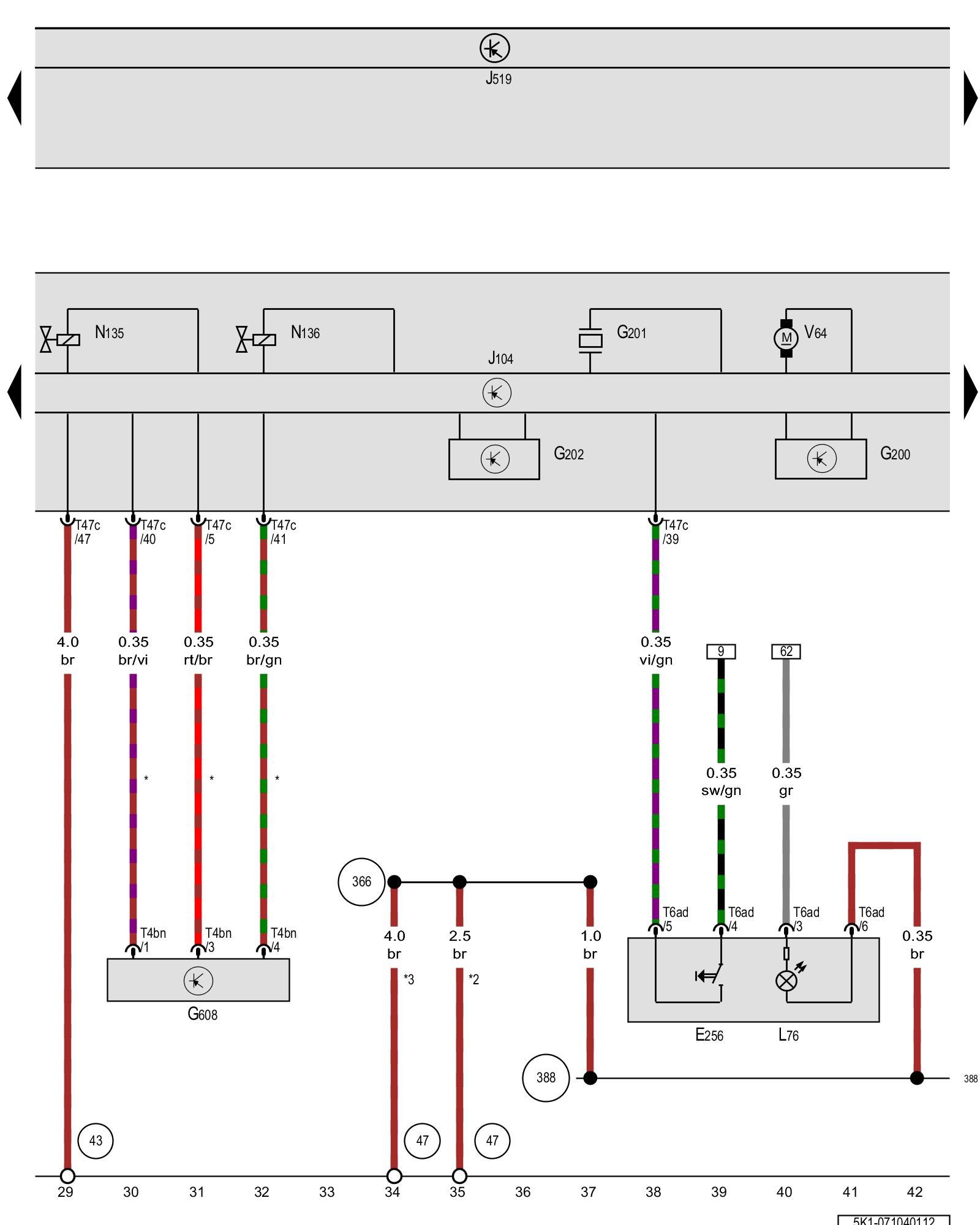
ASR/ESP button, Vacuum sensor, ABS control module





ws = white
sw = black
ro = red
br = brown
gn = green
bl = blue
gr = grey
li = lilac
ge = yellow
or = orange
rs = pink

E256 - ASR/ESP button

G200 - Transverse acceleration sensor ABS Mark 60 EC (ABS/EDS/ASR/ESP)

G201 - Brake pressure sensor 1 ABS Mark 60 EC (ABS/EDS/ASR/ESP)

G202 - Rotation rate sensor ABS Mark 60 EC (ABS/EDS/ASR/ESP)

G608 - Vacuum sensor Locations [1][2]Brake Booster Vacuum Sensor

J104 - ABS control module, in the engine compartment, right Control modules in front part of vehicle - Overview of Control Modules [1][2]Diagrams

J519 - Vehicle electrical system control module Control modules in front part of vehicle - Overview of Control Modules

L76 - Push button illumination bulb

N135 - Right rear ABS outlet valve

N136 - Left rear ABS outlet valve

T4bn - 4-pin connector

T6ad - 6-pin connector

T47c - 47-pin connector

V64 - ABS hydraulic pump ABS Mark 70 (ABS/ASR)

(43) - Ground connection on A-pillar, lower right Overview Of Ground Connections in Interior

(47) - Ground connection in right front footwell Overview Of Ground Connections in Interior

(366) - Ground connection 1 (in main wiring harness)

(388) - Ground connection 23 (in main wiring harness)

* - Only for vehicles with a hydraulic brake booster

*2 - Only for vehicles without Start/Stop system

*3 - Only for vehicles with Start/Stop system

Previous Diagram 71/3 (Tracks 15-28)

Next Diagram 71/5 (Tracks 43-56)