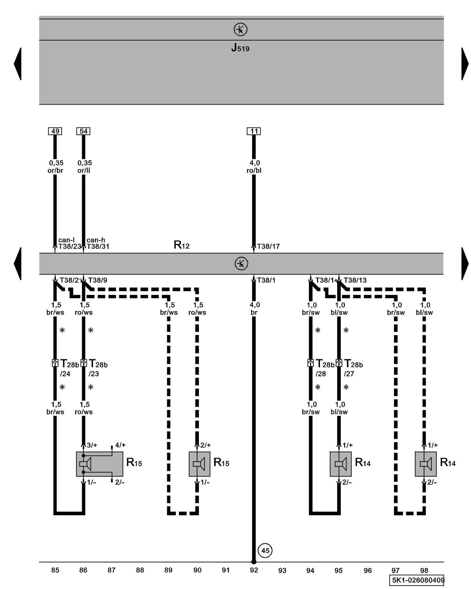
Diagram 26/8 (Tracks 85-98)
IMPORTANT NOTE:
This manufacturer uses "Track" style wiring diagrams.
For information on how to use these diagrams effectively, please refer to Diagram Information and Instructions. Diagram Information and Instructions
Amplifier, Left Rear Speaker

ws = white
sw = black
ro = red
br = brown
gn = green
bl = blue
gr = grey
li = lilac
ge = yellow
or = orange
rs = pink
J519 - Vehicle Electrical System Control Module Control modules in front part of vehicle - Overview of Control Modules
R12 - Amplifier, below driver's seat
Locations
R14 - Left Rear Treble Speaker
Locations
R15 - Left Rear Bass Speaker
Locations
T28b - 28-Pin Connector, connector station B-pillar, left Overview of connector stations and connectors
T38 - 38-Pin Connector
(45) - Ground Connection (behind instrument panel, center)
* - Only 4-door models
--- - Only 2-door models
Previous Diagram 26/7 (Tracks 71-84)
Next Diagram 26/9 (Tracks 99-112)