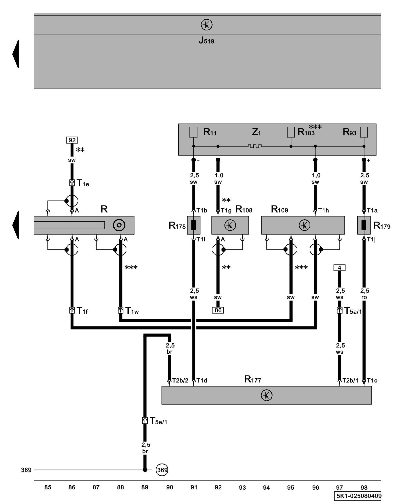
Diagram 25/8 (Tracks 85-98)
IMPORTANT NOTE:
This manufacturer uses "Track" style wiring diagrams.
For information on how to use these diagrams effectively, please refer to Diagram Information and Instructions. Diagram Information and Instructions
Radio, Antennas, Heated Rear Window, Antenna Modules, AM and FM Frequency Filter

ws = white
sw = black
ro = red
br = brown
gn = green
bl = blue
gr = grey
li = lilac
ge = yellow
or = orange
rs = pink
J519 - Vehicle Electrical System Control Module Control modules in front part of vehicle - Overview of Control Modules
R - Radio
Locations
R11 - Antenna
R93 - Radio Antenna 2
R108 - Left Antenna Module
Locations
R109 - Right Antenna Module
Locations
R177 - AM Frequency Filter, in rear lid
Locations
R178 - FM Frequency Filter (in negative wire)
Locations
R179 - FM Frequency Filter (in positive wire)
Locations
R183 - Digital Radio Antenna
T1a - Single Connector
T1b - Single Connector
T1c - Single Connector
T1d - Single Connector
T1e - Single Connector, behind right C-pillar trim Overview of connector stations and connectors
T1f - Single Connector, behind right C-pillar trim Overview of connector stations and connectors
T1g - Single Connector
T1h - Single Connector
T1i - Single Connector
T1j - Single Connector
T1w - Single Connector, behind right C-pillar trim
T2b - Double Connector
T5a - 5-Pin Connector, black, in left rear side panel Overview of connector stations and connectors
T5e - 5-Pin Connector, pink, in left rear side panel Overview of connector stations and connectors
Z1 - Heated Rear Window
(369) - Ground Connection 4 (in main wiring harness)
** - Only radio systems with Diversity
*** - Only Digital Radio Antenna
Previous Diagram 25/7 (Tracks 71-84)