Operation CHARM: Car repair manuals for everyone.

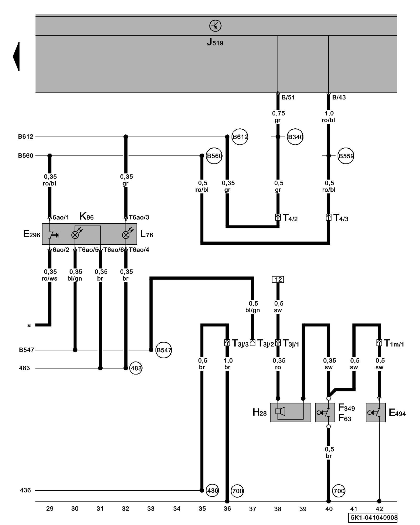
Diagram 41/4 (Tracks 29-42)






IMPORTANT NOTE:
This manufacturer uses "Track" style wiring diagrams.
For information on how to use these diagrams effectively, please refer to Diagram Information and Instructions. Diagram Information and Instructions


Warning Buzzer Switch, Driving School Operation Warning Buzzer, Driving School Gas Pedal Switch, Front Passenger's Warning Buzzer Clutch and Brake Pedal Switch





ws = white
sw = black
ro = red
br = brown
gn = green
bl = blue
gr = grey
li = lilac
ge = yellow
or = orange
rs = pink

E296 - Warning Buzzer Switch

E494 - Driving School Gas Pedal Switch

F63 - Front Passenger's Warning Buzzer Brake Pedal Switch

F349 - Front Passenger's Warning Clutch Pedal Switch

K96 - Warning Lamp

L76 - Push Button Illumination

H28 - Driving School Operation Warning Buzzer

J519 - Vehicle Electrical System Control Module Control modules in front part of vehicle - Overview of Control Modules

T1m - Single Connector, near warning buzzer

T3j - 3-Pin Connector, under instrument panel, right

T4 - 4-Pin Connector

T6ao - 6-Pin Connector

(436) - Ground Connection 1 (in driving school wiring harness)

(483) - Ground Connection 3 (in driving school wiring harness)

(700) - Ground Connection (on driving school accelerator pedal)

(B340) - Connection 1 (58d) (in main wiring harness)

(B547) - Connection 1 (in driving school wiring harness)

(B559) - Plus Connection 1 (30g) (in main wiring harness)

(B560) - Plus Connection 1 (30g) (in driving school wiring harness)

(B612) - Plus Connection (58d) (in driving school wiring harness)

Previous Diagram 41/3 (Tracks 15-28)