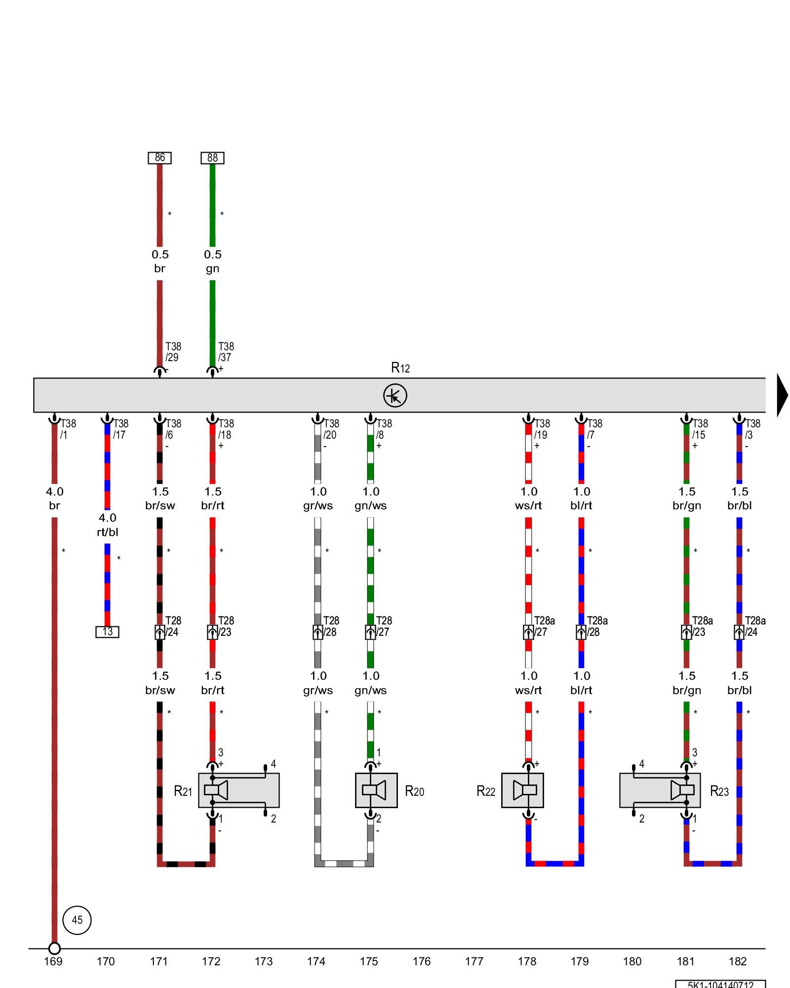
Diagram 104/14 (Tracks 169-182)
IMPORTANT NOTE:
This manufacturer uses "Track" style wiring diagrams.
For information on how to use these diagrams effectively, please refer to Diagram Information and Instructions. Diagram Information and Instructions
Amplifier, Left front treble speaker, Left front bass speaker, Right front treble speaker, Right front bass speaker

ws = white
sw = black
ro = red
br = brown
gn = green
bl = blue
gr = grey
li = lilac
ge = yellow
or = orange
rs = pink
R12 - Amplifier, under the driver seat
Locations
R20 - Left front treble speaker
Locations
R21 - Left front bass speaker
Locations
R22 - Right front treble speaker
Locations
R23 - Right front bass speaker
Locations
T28 - 28-pin connector, in the left A-pillar connector station Overview of connector stations and connectors
T28a - 28-pin connector, in the connector station, right A-pillar Overview of connector stations and connectors
T38 - 38-pin connector
(45) - Ground connection behind instrument panel, center
* - Only for vehicles with an amplifier
Previous Diagram 104/13 (Tracks 155-168)
Next Diagram 104/15 (Tracks 183-196)