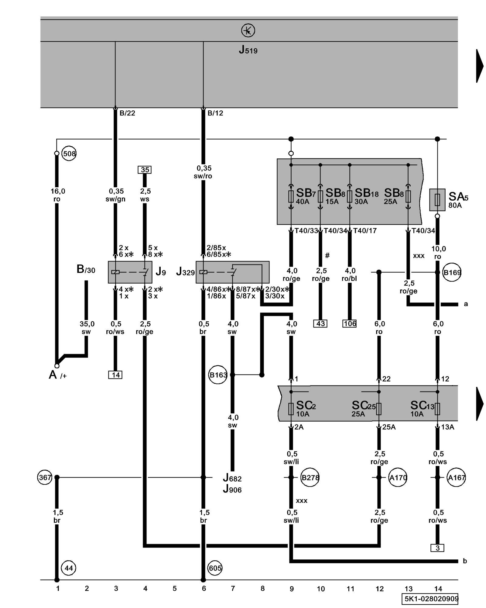
Diagram 28/2 (Tracks 1-14)
IMPORTANT NOTE:
This manufacturer uses "Track" style wiring diagrams.
For information on how to use these diagrams effectively, please refer to Diagram Information and Instructions. Diagram Information and Instructions
Rear Window Defogger Relay, Power Supply Relay (terminal 15)

ws = white
sw = black
ro = red
br = brown
gn = green
bl = blue
gr = grey
li = lilac
ge = yellow
or = orange
rs = pink
A - Battery
B - Starter
J9 - Rear Window Defogger Relay Overview Of Relay Carrier
J329 - Power Supply Relay (terminal 15) (53) Overview Of Relay Carrier
J519 - Vehicle Electrical System Control Module Control modules in front part of vehicle - Overview of Control Modules
J682 - Power Supply Relay (terminal 50) Overview Of Relay Carrier
J906 - Starter Relay 1 Overview Of Relay Carrier
SA5 - Fuse 5 (on fuse panel A) Fuse overview (SA), (SB), (SC)
SB7 - Fuse 7 (on fuse panel B) Fuse overview (SA), (SB), (SC)
SB8 - Fuse 8 (on fuse panel B) Fuse overview (SA), (SB), (SC)
SB18 - Fuse 18 (on fuse panel B) Fuse overview (SA), (SB), (SC)
SC2 - Fuse 2 (on fuse panel C) Fuse overview (SA), (SB), (SC)
SC13 - Fuse 13 (on fuse panel C) Fuse overview (SA), (SB), (SC)
SC25 - Fuse 25 (on fuse panel C) Fuse overview (SA), (SB), (SC)
T40 - 40-Pin Connector
(44) - Ground Connection (on left lower A-pillar) Overview Of Ground Connections in Interior
(367) - Ground Connection 2 (in main wiring harness)
(508) - Threaded Connection terminal 30 (on electronics box)
(605) - Ground Connection (on upper steering column) Overview Of Ground Connections in Interior
(A167) - Plus Connection 3 (30a) (in instrument panel wiring harness)
(B170) - Plus Connection 2 (30) (in interior wiring harness)
(B163) - Plus Connection 1 (15) (in interior wiring harness)
(B169) - Plus Connection 1 (30) (in interior wiring harness)
(B278) - Plus Connection 2 (15a) (in main wiring harness)
# - Only models without stop/start system
xxx - Only models with stop/start system
x - From November 2009
x* - Through October 2009
Next Diagram 28/3 (Tracks 15-28)