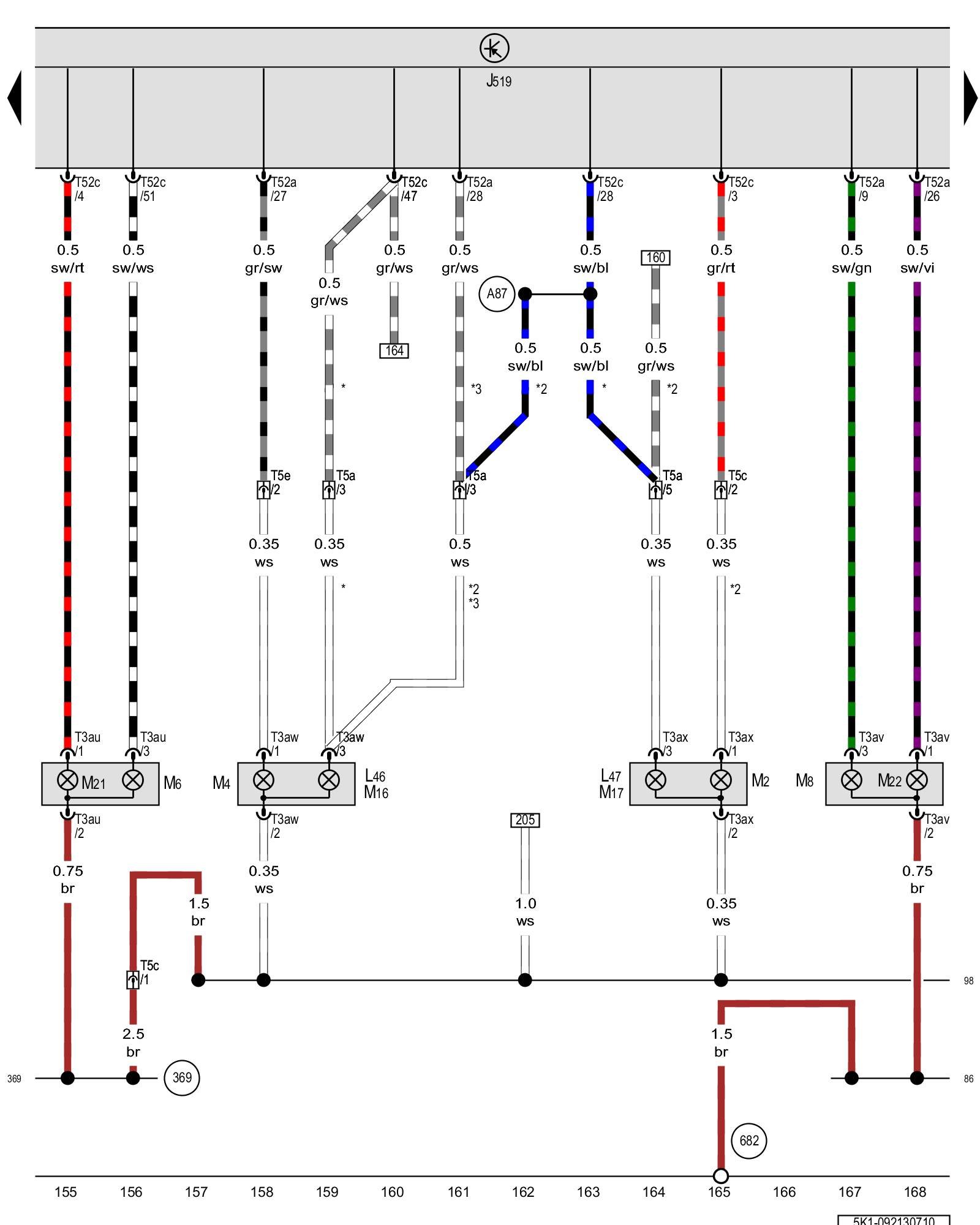
Diagram 92/13 (Tracks 155-168)
IMPORTANT NOTE:
This manufacturer uses "Track" style wiring diagrams.
For information on how to use these diagrams effectively, please refer to Diagram Information and Instructions. Diagram Information and Instructions
Left rear fog lamp bulb, Right rear fog lamp bulb, Right tail lamp bulb, Left tail lamp bulb, Left rear turn signal bulb, Right rear turn signal bulb, Left back-up lamp bulb, Right back-up lamp bulb, Left brake/tail lamp bulb, Right brake/tail lamp bulb

ws = white
sw = black
ro = red
br = brown
gn = green
bl = blue
gr = grey
li = lilac
ge = yellow
or = orange
rs = pink
J519 - Vehicle electrical system control module Control modules in front part of vehicle - Overview of Control Modules
L46 - Left rear fog lamp bulb
L47 - Right rear fog lamp bulb
M2 - Right tail lamp bulb
M4 - Left tail lamp bulb
M6 - Left rear turn signal bulb
M8 - Right rear turn signal bulb
M16 - Left back-up lamp bulb
M17 - Right back-up lamp bulb
M21 - Left brake/tail lamp bulb
M22 - Right brake/tail lamp bulb
T3au - 3-pin connector
T3av - 3-pin connector
T3aw - 3-pin connector
T3ax - 3-pin connector
T5a - 5-pin connector, in the left rear side panel Overview of connector stations and connectors
T5c - 5-pin connector, in the left rear side panel Overview of connector stations and connectors
T5e - 5-pin connector, in the left rear side panel Overview of connector stations and connectors
T52a - 52-pin connector
T52c - 52-pin connector
(86) - Ground connection 1 (in rear wiring harness)
(98) - Ground connection (in rear lid wiring harness)
(369) - Ground connection 4 (in main wiring harness)
(682) - Ground connection 2 in right rear side panel
(A87) - Back-up lamp connection (in instrument panel wiring harness)
* - Only for left-hand drive vehicles
*2 - Only for right-hand drive vehicles
*3 - Only for vehicles without rear fog lamps
Previous Diagram 92/12 (Tracks 141-154)
Next Diagram 92/14 (Tracks 169-182)