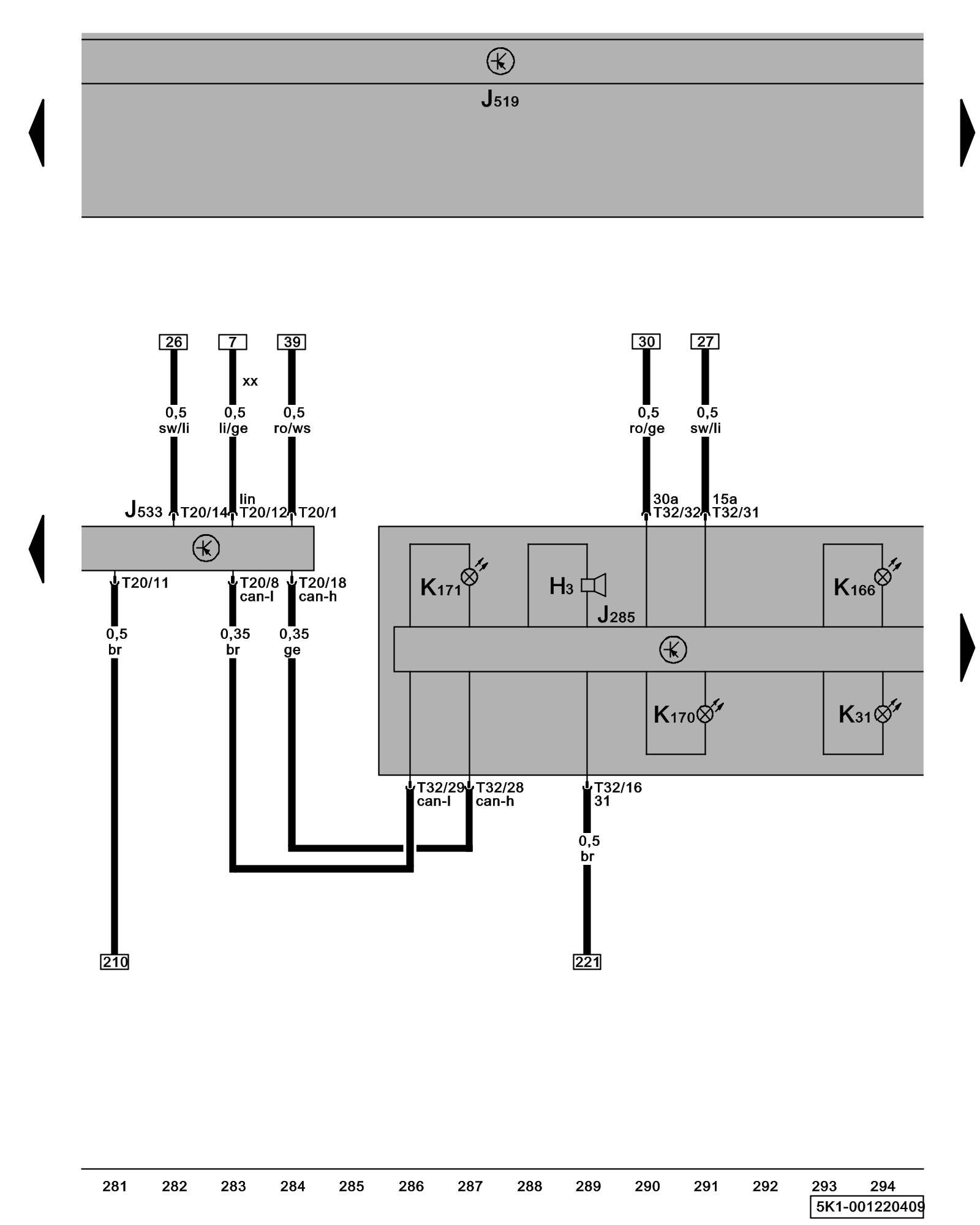
Diagram 1/22 (Tracks 281-294)
IMPORTANT NOTE:
This manufacturer uses "Track" style wiring diagrams.
For information on how to use these diagrams effectively, please refer to Diagram Information and Instructions. Diagram Information and Instructions
Data Bus On Board Diagnostic Interface, Instrument Cluster, Warning Buzzer

ws = white
sw = black
ro = red
br = brown
gn = green
bl = blue
gr = grey
li = lilac
ge = yellow
or = orange
rs = pink
H3 - Warning Buzzer
J285 - Instrument Cluster Control Module
J519 - Vehicle Electrical System Control Module Control modules in front part of vehicle - Overview of Control Modules
J533 - Data Bus On Board Diagnostic Interface, in left footwell, near center console Control modules in front part of vehicle - Overview of Control Modules
K31 - Cruise Control Indicator Lamp
K166 - Door Ajar Indicator Lamp
K170 - Lamp Failure Indicator Lamp
K171 - Front Hood Open Warning Lamp
T20 - 20-Pin Connector
T32 - 32-Pin Connector
xx - Only models with stop/start system
Previous Diagram 1/21 (Tracks 267-280)
Next Diagram 1/23 (Tracks 295-308)