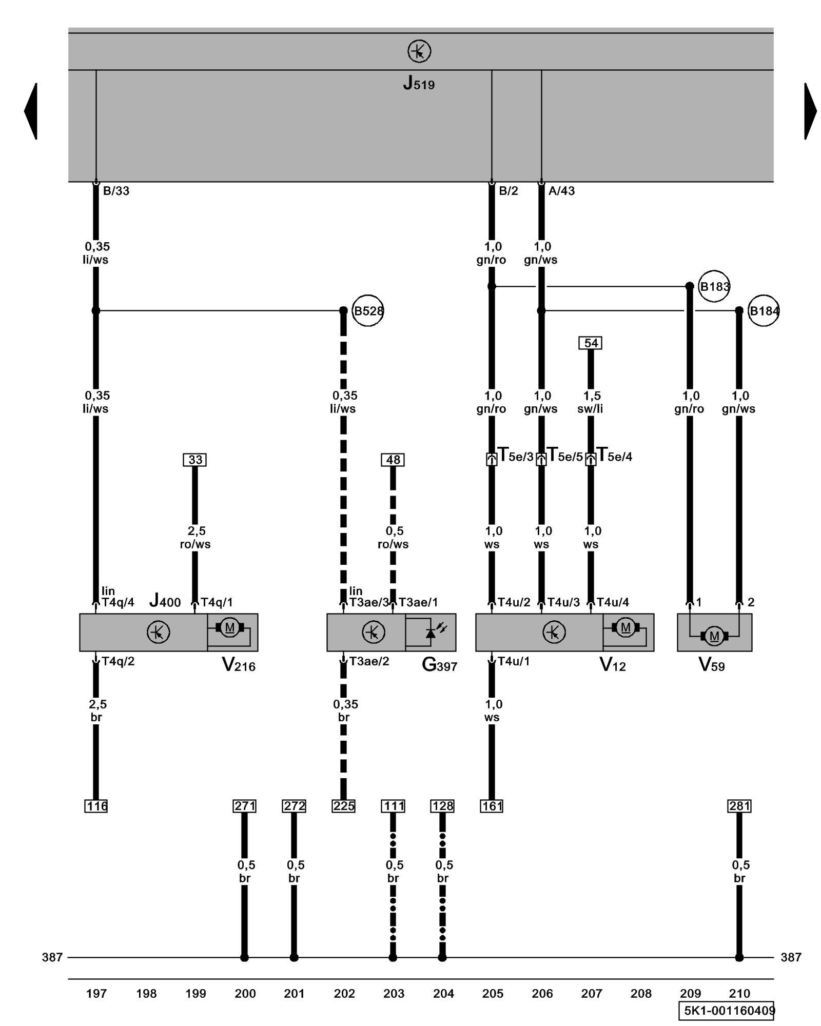
Diagram 1/16 (Tracks 197-210)
IMPORTANT NOTE:
This manufacturer uses "Track" style wiring diagrams.
For information on how to use these diagrams effectively, please refer to Diagram Information and Instructions. Diagram Information and Instructions
Driver's Windshield Wiper Motor, Rain/Light Recognition Sensor, Rear Window Wiper Motor, Windshield and Rear Window Washer Pump

ws = white
sw = black
ro = red
br = brown
gn = green
bl = blue
gr = grey
li = lilac
ge = yellow
or = orange
rs = pink
G397 - Rain/Light Recognition Sensor
J400 - Wiper Motor Control Module
J519 - Vehicle Electrical System Control Module Control modules in front part of vehicle - Overview of Control Modules
T3ae - 3-Pin Connector Overview of connector stations and connectors
T4q - 4-Pin Connector
T4u - 4-Pin Connector
T5e - 5-Pin Connector, pink, in left rear side panel Overview of connector stations and connectors
V12 - Rear Window Wiper Motor
V59 - Windshield and Rear Window Washer Pump
V216 - Driver's Windshield Wiper Motor
(B183) - Washer Pump Connection 1 (in interior wiring harness)
(B184) - Washer Pump Connection 2 (in interior wiring harness)
(B528) - LIN-Bus Connection 1 (in main wiring harness)
--- - Only models with rain/light recognition sensor
-^^- - Only models with static headlamp range regulation
Previous Diagram 1/15 (Tracks 183-196)
Next Diagram 1/17 (Tracks 211-224)