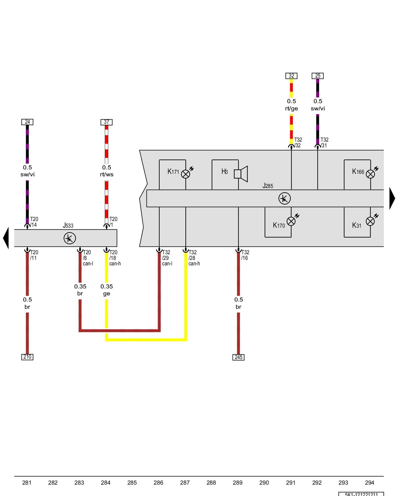
Diagram 121/22 (Tracks 281-294)
IMPORTANT NOTE:
This manufacturer uses "Track" style wiring diagrams.
For information on how to use these diagrams effectively, please refer to Diagram Information and Instructions. Diagram Information and Instructions
Warning buzzer and tone, Instrument cluster control module, Data bus on board diagnostic interface, Cruise control indicator lamp, Door ajar indicator lamp, Lamp failure indicator lamp, Hood -open- indicator lamp

ws = white
sw = black
ro = red
br = brown
gn = green
bl = blue
gr = grey
li = lilac
ge = yellow
or = orange
rs = pink
H3 - Warning buzzer and tone
J285 - Instrument cluster control module Control modules in front part of vehicle - Overview of Control Modules
J533 - Data bus on board diagnostic interface, in the left footwell, near the center console Control modules in front part of vehicle - Overview of Control Modules
K31 - Cruise control indicator lamp
K166 - Door ajar indicator lamp
K170 - Lamp failure indicator lamp
K171 - Hood -open- indicator lamp
T20 - 20-pin connector
T32 - 32-pin connector
Previous Diagram 121/21 (Tracks 267-280)
Next Diagram 121/23 (Tracks 295-308)