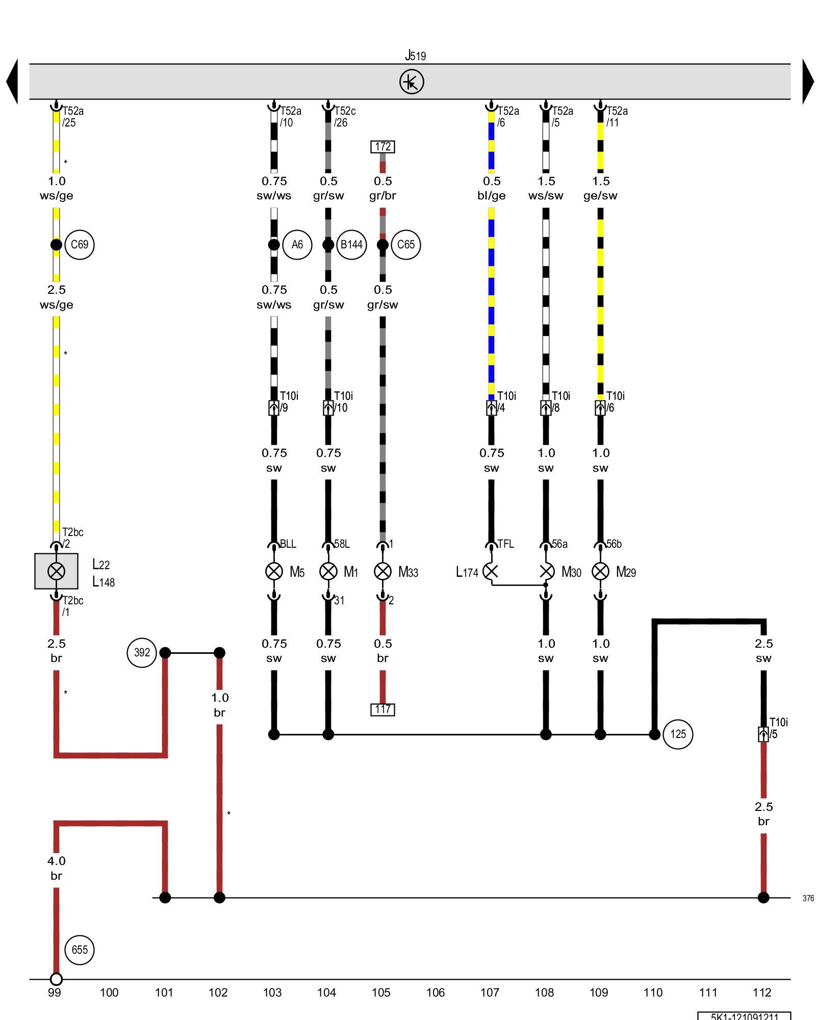
Diagram 121/9 (Tracks 99-112)
IMPORTANT NOTE:
This manufacturer uses "Track" style wiring diagrams.
For information on how to use these diagrams effectively, please refer to Diagram Information and Instructions. Diagram Information and Instructions
Left front fog lamp bulb, Left cornering lamp bulb, Left daytime running lamp bulb, Left side marker lamp bulb, Left front turn signal bulb, Left low beam headlamp bulb, Left high beam headlamp bulb, Left front side marker lamp bulb

ws = white
sw = black
ro = red
br = brown
gn = green
bl = blue
gr = grey
li = lilac
ge = yellow
or = orange
rs = pink
J519 - Vehicle electrical system control module Control modules in front part of vehicle - Overview of Control Modules
L22 - Left front fog lamp bulb
L148 - Left cornering lamp bulb
L174 - Left daytime running lamp bulb
M1 - Left side marker lamp bulb
M5 - Left front turn signal bulb
M29 - Left low beam headlamp bulb
M30 - Left high beam headlamp bulb
M33 - Left front side marker lamp bulb
T2bc - Double connector
T10i - 10-pin connector, on the left headlamp
T52a - 52-pin connector
T52c - 52-pin connector
(125) - Ground connection 3 (in headlamp wiring harness)
(376) - Ground connection 11 (in main wiring harness)
(392) - Ground connection 27 (in main wiring harness)
(655) - Ground connection on left headlamp
(A6) - Left turn signal positive connection (in instrument panel wiring harness)
(B144) - Positive connection (58L) (in interior wiring harness)
(C65) - Side marker lamp positive connection 1
(C69) - Fog lamp connection (in left front wiring harness)
* - Only for vehicles with fog lamps
Previous Diagram 121/8 (Tracks 85-98)
Next Diagram 121/10 (Tracks 113-126)