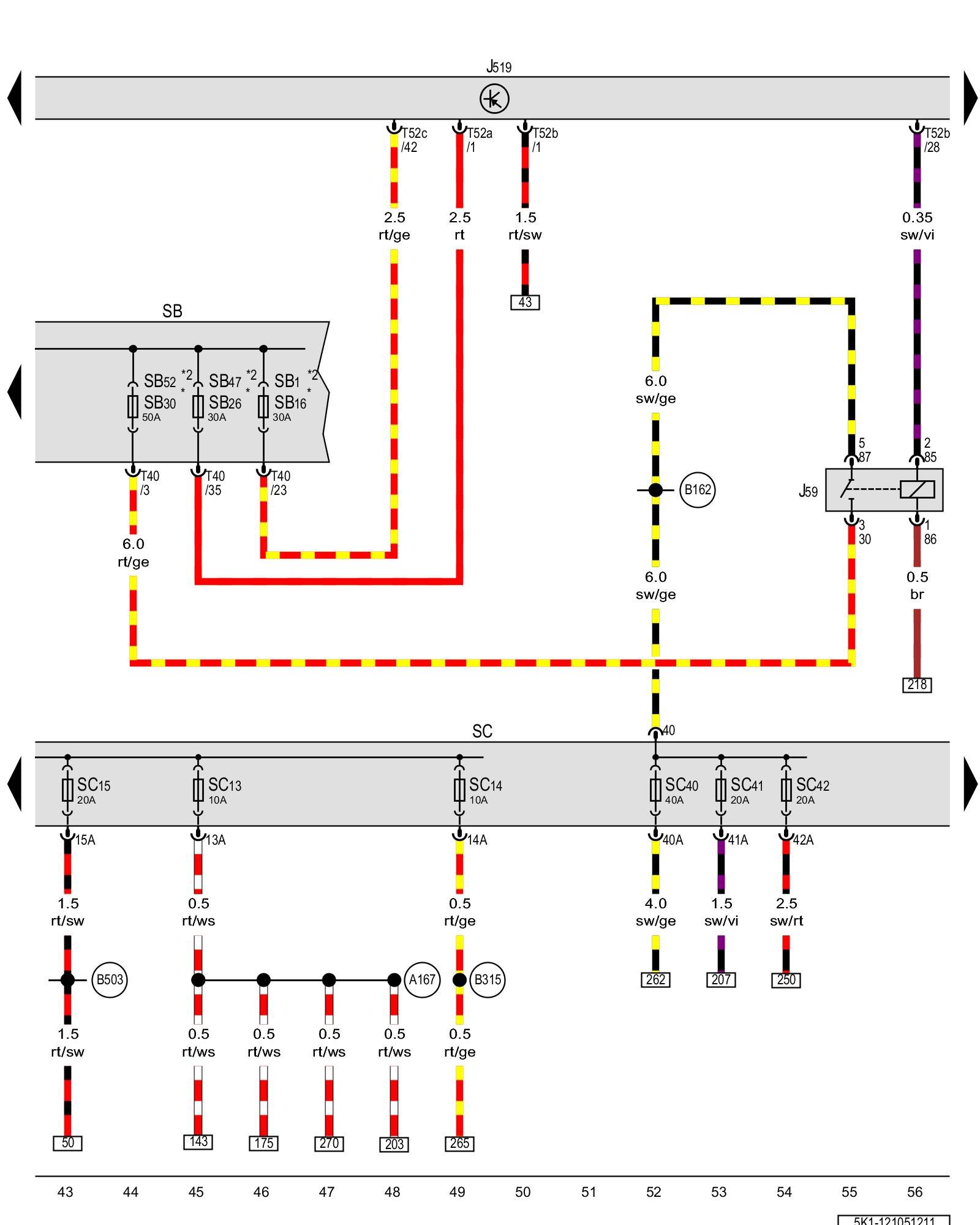
Diagram 121/5 (Tracks 43-56)
IMPORTANT NOTE:
This manufacturer uses "Track" style wiring diagrams.
For information on how to use these diagrams effectively, please refer to Diagram Information and Instructions. Diagram Information and Instructions
Load reduction relay, Fuse panel B, Fuse panel C

ws = white
sw = black
ro = red
br = brown
gn = green
bl = blue
gr = grey
li = lilac
ge = yellow
or = orange
rs = pink
J59 - Load reduction relay Overview Of Relay Carrier
J519 - Vehicle electrical system control module Control modules in front part of vehicle - Overview of Control Modules
SB - Fuse panel B Fuse overview (SA), (SB), (SC)
SB1 - Fuse 1 (on fuse panel B) Fuse overview (SA), (SB), (SC)
SC - Fuse panel C Fuse overview (SA), (SB), (SC)
SC13 - Fuse 13 (on fuse panel C) Fuse overview (SA), (SB), (SC)
SC14 - Fuse 14 (on fuse panel C) Fuse overview (SA), (SB), (SC)
SC15 - Fuse 15 (on fuse panel C) Fuse overview (SA), (SB), (SC)
SB16 - Fuse 16 (on fuse panel B) Fuse overview (SA), (SB), (SC)
SB26 - Fuse 26 (on fuse panel B) Fuse overview (SA), (SB), (SC)
SB30 - Fuse 30 (on fuse panel B) Fuse overview (SA), (SB), (SC)
SC40 - Fuse 40 (on fuse panel C) Fuse overview (SA), (SB), (SC)
SC41 - Fuse 41 (on fuse panel C) Fuse overview (SA), (SB), (SC)
SC42 - Fuse 42 (on fuse panel C) Fuse overview (SA), (SB), (SC)
SB47 - Fuse 47 (on fuse panel B) Fuse overview (SA), (SB), (SC)
SB52 - Fuse 52 (on fuse panel B) Fuse overview (SA), (SB), (SC)
T40 - 40-pin connector
T52a - 52-pin connector
T52b - 52-pin connector
T52c - 52-pin connector
(A167) - Positive connection 3 (30a) (in instrument panel wiring harness)
(B162) - Connection (75a) (in interior wiring harness)
(B315) - Positive connection 1 (30a) (in main wiring harness)
(B503) - Positive connection 7 (30a) (in interior wiring harness)
* - E-Box low
*2 - E-Box high
Previous Diagram 121/4 (Tracks 29-42)
Next Diagram 121/6 (Tracks 57-70)