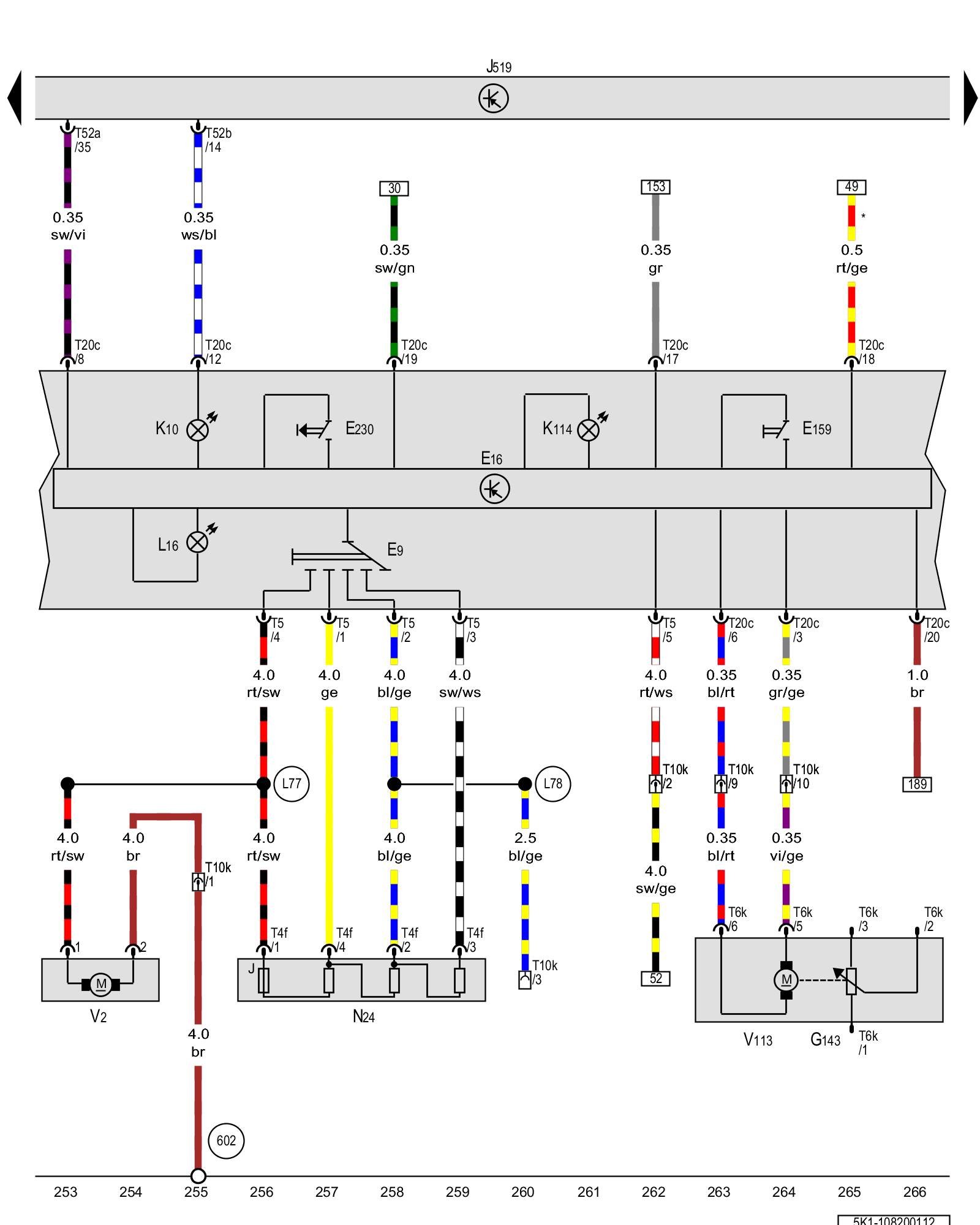
Diagram 108/20 (Tracks 253-266)
IMPORTANT NOTE:
This manufacturer uses "Track" style wiring diagrams.
For information on how to use these diagrams effectively, please refer to Diagram Information and Instructions. Diagram Information and Instructions
Fresh air blower switch, Heater/heat output switch, Fresh air blower series resistor with fuse, Fresh air blower, Recirculation door motor

ws = white
sw = black
ro = red
br = brown
gn = green
bl = blue
gr = grey
li = lilac
ge = yellow
or = orange
rs = pink
E9 - Fresh air blower switch Climatic (Manual Climate Control) A/C System w/ Manual Control Overview
E16 - Heater/heat output switch, in the engine compartment, right
E159 - Fresh air/recirculation door switch Climatic (Manual Climate Control) A/C System w/ Manual Control Overview
E230 - Rear window defogger button Climatic (Manual Climate Control) A/C System w/ Manual Control Overview
G143 - Recirculation door motor position sensor Climatic (Manual Climate Control) A/C System w/ Manual Control Overview
J519 - Vehicle electrical system control module Control modules in front part of vehicle - Overview of Control Modules
K10 - Rear window defogger indicator lamp
K114 - Fresh air and recirculation mode indicator lamp
L16 - Fresh air control illumination bulb
N24 - Fresh air blower series resistor with fuse Climatic (Manual Climate Control) A/C System w/ Manual Control Overview [1][2]Blower Motor Resistor
T4f - 4-pin connector
T5 - 5-pin connector
T6k - 6-pin connector
T10k - 10-pin connector, behind the instrument panel, right Overview of connector stations and connectors
T20c - 20-pin connector
T52a - 52-pin connector
T52b - 52-pin connector
V2 - Fresh air blower Climatic (Manual Climate Control) A/C System w/ Manual Control Overview [1][2]Blower Motor
V113 - Recirculation door motor Climatic (Manual Climate Control) A/C System w/ Manual Control Overview [1][2]Air Door Actuator / Motor, HVAC
(602) - Ground connection in left front footwell Overview Of Ground Connections in Interior
(L77) - Connection (in fresh air blower wiring harness)
(L78) - Connection 1 (in fresh air blower wiring harness)
* - Only for vehicles with auxiliary water heater
Previous Diagram 108/19 (Tracks 239-252)
Next Diagram 108/21 (Tracks 267-280)