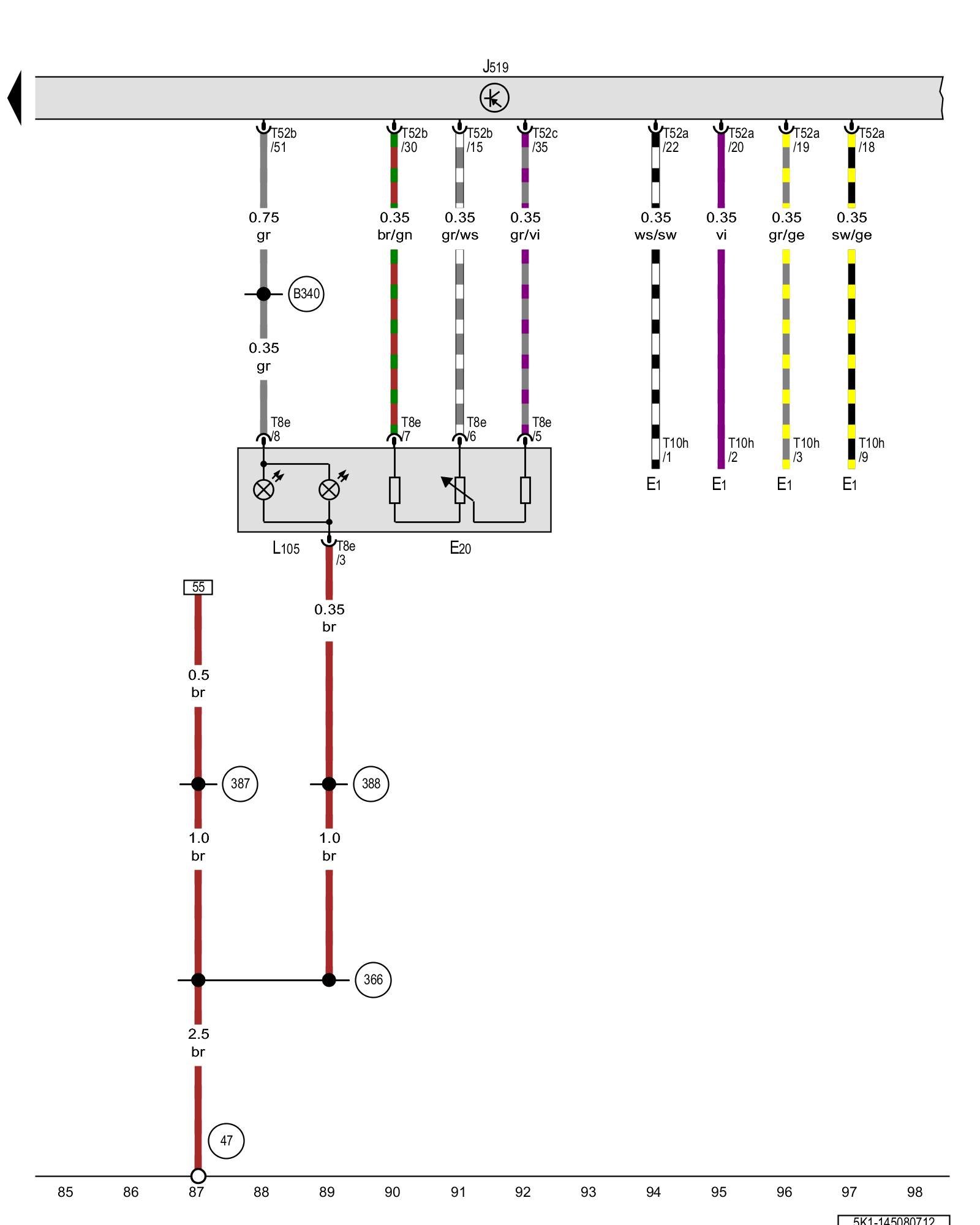
Diagram 145/8 (Tracks 85-98)
IMPORTANT NOTE:
This manufacturer uses "Track" style wiring diagrams.
For information on how to use these diagrams effectively, please refer to Diagram Information and Instructions. Diagram Information and Instructions
Instrument panel and switch illumination dimmer switch, Vehicle electrical system control module

ws = white
sw = black
ro = red
br = brown
gn = green
bl = blue
gr = grey
li = lilac
ge = yellow
or = orange
rs = pink
E1 - Light switch
E20 - Instrument panel and switch illumination dimmer switch
J519 - Vehicle electrical system control module Control modules in front part of vehicle - Overview of Control Modules
L105 - Lighting control illumination bulb
T8e - 8-pin connector
T10h - 10-pin connector
T52a - 52-pin connector
T52b - 52-pin connector
T52c - 52-pin connector
(47) - Ground connection in right front footwell Overview Of Ground Connections in Interior
(366) - Ground connection 1 (in main wiring harness)
(387) - Ground connection 22 (in main wiring harness)
(388) - Ground connection 23 (in main wiring harness)
(B340) - Connection 58d (in main wiring harness) 1
Previous Diagram 145/7 (Tracks 71-84)