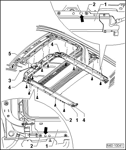
Installation Unit Overview
Installation Unit Overview

1 Installation Unit
• Removing and installing, refer to => [ Installation Unit ] Installation Unit.
2 Bolt
• 8 Nm
• Quantity: 12
3 Connector
4 Connections for Water Drain Hoses
5 Sunroof Drive Motor
• Removing and installing, refer to => [ Sunroof Glass Panel Drive ] Service and Repair.