Operation CHARM: Car repair manuals for everyone.

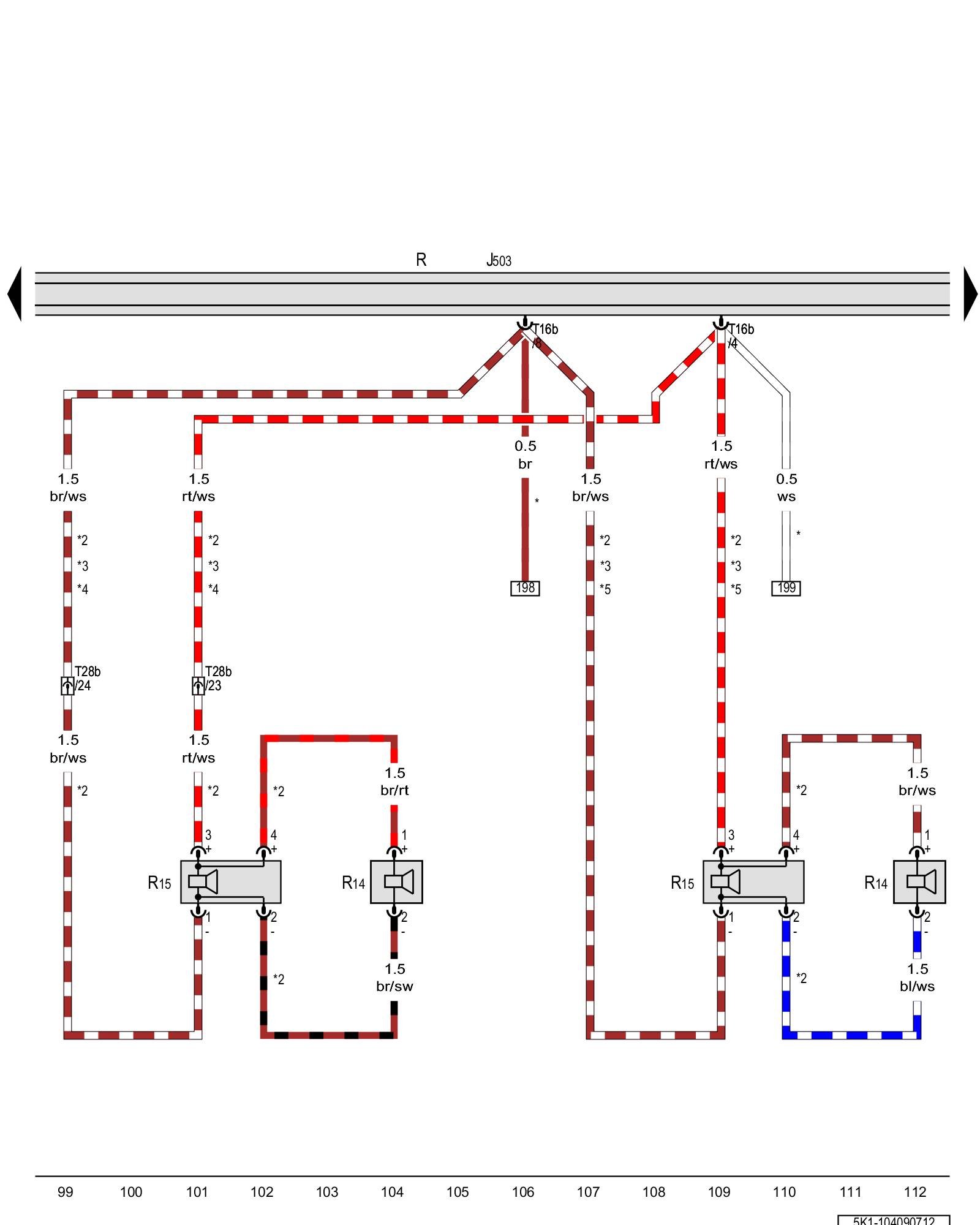
Diagram 104/9 (Tracks 99-112)






IMPORTANT NOTE:
This manufacturer uses "Track" style wiring diagrams.
For information on how to use these diagrams effectively, please refer to Diagram Information and Instructions. Diagram Information and Instructions


Radio/navigation display unit control module, Radio, Left rear treble speaker, Left rear bass speaker





ws = white
sw = black
ro = red
br = brown
gn = green
bl = blue
gr = grey
li = lilac
ge = yellow
or = orange
rs = pink

J503 - Radio/navigation display unit control module
Locations

R - Radio
Locations

R14 - Left rear treble speaker
Locations

R15 - Left rear bass speaker
Locations

T16b - 16-pin connector

T28b - 28-pin connector, behind the lower left B-pillar trim Overview of connector stations and connectors

* - Only for vehicles with an amplifier

*2 - Only for vehicles with a rear speaker

*3 - Only for vehicles with passive speakers

*4 - Only for vehicles with 4 doors

*5 - Only for vehicles with 2-door equipment

Previous Diagram 104/8 (Tracks 85-98)

Next Diagram 104/10 (Tracks 113-126)