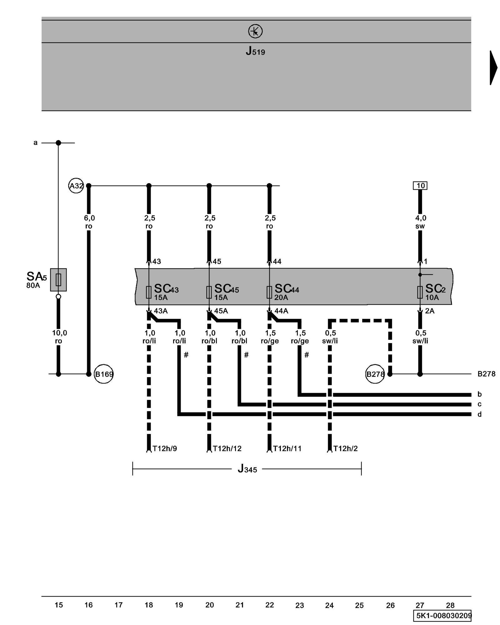
Diagram 8/3 (Tracks 15-28)
IMPORTANT NOTE:
This manufacturer uses "Track" style wiring diagrams.
For information on how to use these diagrams effectively, please refer to Diagram Information and Instructions. Diagram Information and Instructions
Fuses

ws = white
sw = black
ro = red
br = brown
gn = green
bl = blue
gr = grey
li = lilac
ge = yellow
or = orange
rs = pink
J345 - Towing Recognition Control Module Control Modules in The Rear Of The Vehicle
J519 - Vehicle Electrical System Control Module Control modules in front part of vehicle - Overview of Control Modules
SA5 - Fuse 5 (on fuse panel A) Fuse overview (SA), (SB), (SC)
SC2 - Fuse 2 (on fuse panel C) Fuse overview (SA), (SB), (SC)
SC43 - Fuse 43 (on fuse panel C) Fuse overview (SA), (SB), (SC)
SC44 - Fuse 44 (on fuse panel C) Fuse overview (SA), (SB), (SC)
SC45 - Fuse 45 (on fuse panel C) Fuse overview (SA), (SB), (SC)
T12h - 12-Pin Connector, in left rear side panel
(A32) - Plus Connection (30) (in instrument panel wiring harness)
(B169) - Plus Connection 1 (30) (in interior wiring harness)
(B278) - Plus Connection 2 (15a) (in main wiring harness)
# - Only models with factory trailer hitch
--- - Only models with preparation for Trailer Operation
Previous Diagram 8/2 (Tracks 1-14)
Next Diagram 8/4 (Tracks 29-42)