Operation CHARM: Car repair manuals for everyone.

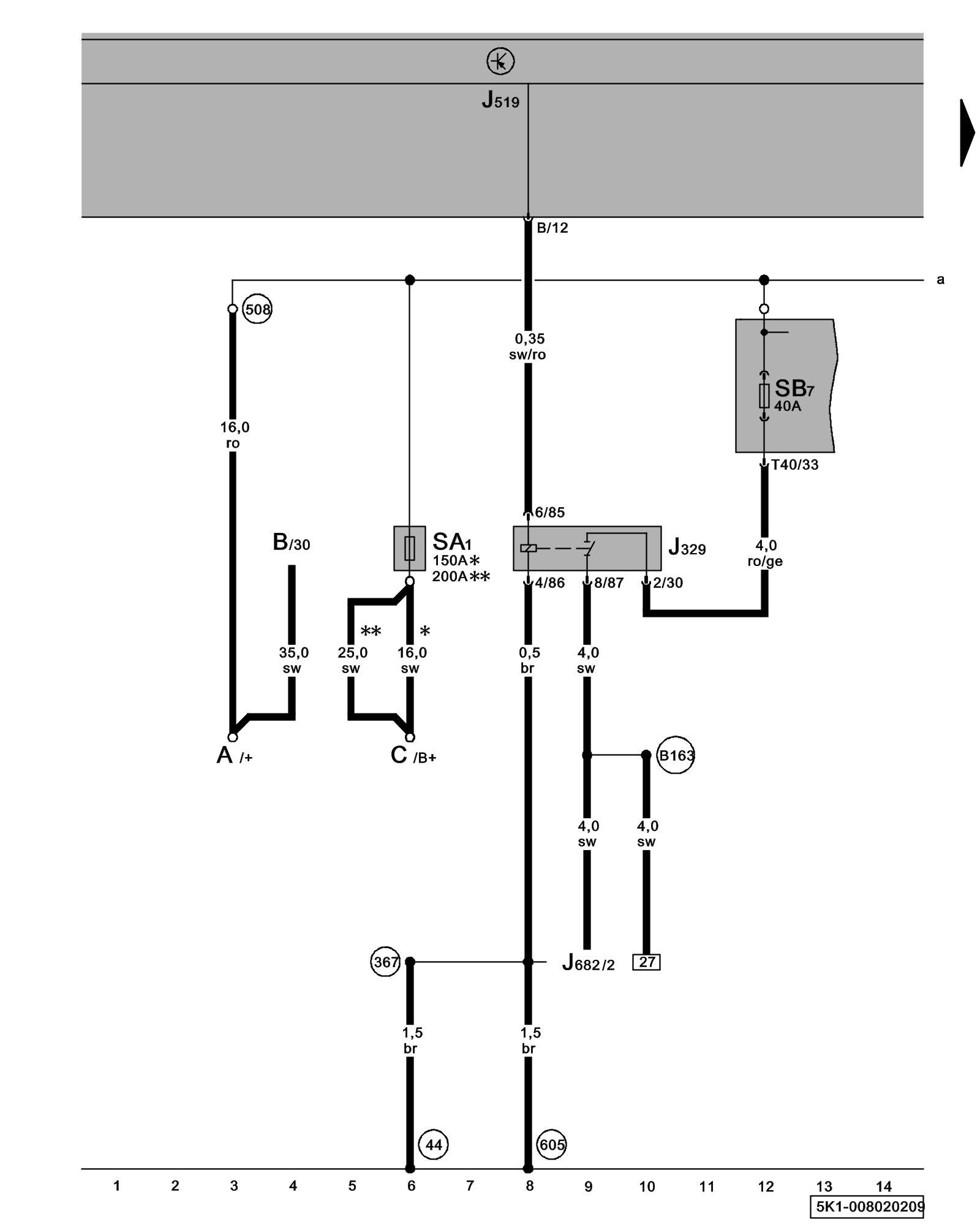
Diagram 8/2 (Tracks 1-14)






IMPORTANT NOTE:
This manufacturer uses "Track" style wiring diagrams.
For information on how to use these diagrams effectively, please refer to Diagram Information and Instructions. Diagram Information and Instructions


Power Supply Relay (terminal 15)





ws = white
sw = black
ro = red
br = brown
gn = green
bl = blue
gr = grey
li = lilac
ge = yellow
or = orange
rs = pink

A - Battery

B - Starter

C - Generator (GEN)

J329 - Power Supply Relay (terminal 15) (53) Overview Of Relay Carrier

J519 - Vehicle Electrical System Control Module Control modules in front part of vehicle - Overview of Control Modules

J682 - Power Supply Relay (terminal 50) Overview Of Relay Carrier

SA1 - Fuse 1 (on fuse panel A) Fuse overview (SA), (SB), (SC)

SB7 - Fuse 7 (on fuse panel B) Fuse overview (SA), (SB), (SC)

T40 - 40-Pin Connector

(44) - Ground Connection (on left lower A-pillar) Overview Of Ground Connections in Interior

(367) - Ground Connection 2 (in main wiring harness)

(508) - Threaded Connection terminal 30 (on electronics box)

(605) - Ground Connection (on upper steering column) Overview Of Ground Connections in Interior

(B163) - Plus Connection 1 (15) (in interior wiring harness)

* - Models with 90 A/ 120 A generator

** - Models with 140 A generator

Next Diagram 8/3 (Tracks 15-28)