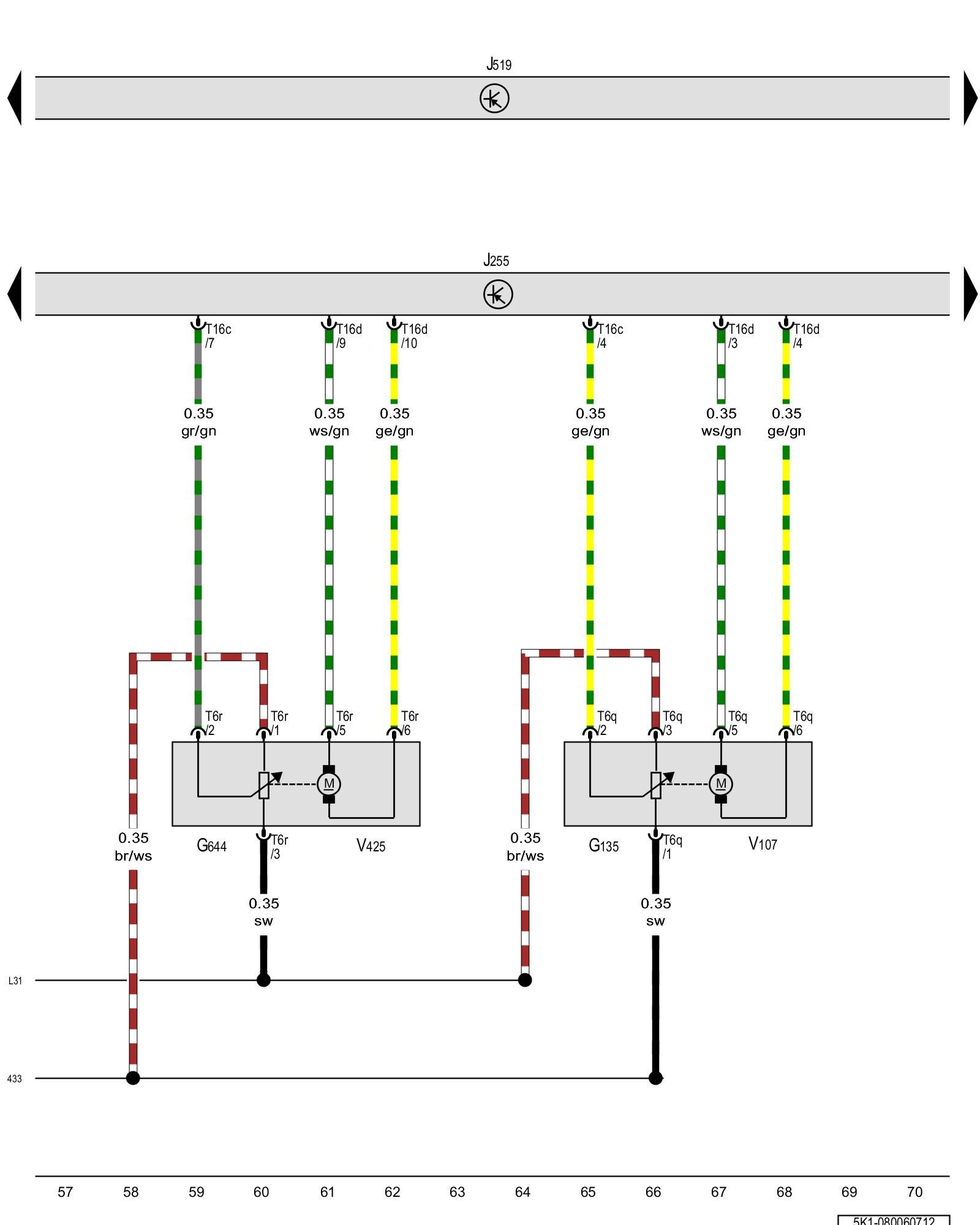
Diagram 80/6 (Tracks 57-70)
IMPORTANT NOTE:
This manufacturer uses "Track" style wiring diagrams.
For information on how to use these diagrams effectively, please refer to Diagram Information and Instructions. Diagram Information and Instructions
Climatronic control module, Defroster door motor, Fresh air/recirculating air/back pressure door motor

ws = white
sw = black
ro = red
br = brown
gn = green
bl = blue
gr = grey
li = lilac
ge = yellow
or = orange
rs = pink
G135 - Defroster door motor position sensor Climatronic (Automatic Climate Control) A/C System w/ Automatic Control Overview Defroster Door Motor -V107- / Defroster Door Motor Position Sensor -G135-
G644 - Fresh air/recirculating air/back pressure door motor position sensor Climatronic (Automatic Climate Control) A/C System w/ Automatic Control Overview Fresh Air / Recirculating Air / Back Pressure Door Motor -V425-, Position Sensor -G644-
J255 - Climatronic control module, behind the center console Climatronic (Automatic Climate Control) A/C System w/ Automatic Control Overview Climatronic (Automatic Climate Control) Control Module -J255-
J519 - Vehicle electrical system control module Control modules in front part of vehicle - Overview of Control Modules
T6q - 6-pin connector
T6r - 6-pin connector
T16c - 16-pin connector
T16d - 16-pin connector
V107 - Defroster door motor Defroster Door Motor -V107- / Defroster Door Motor Position Sensor -G135-
V425 - Fresh air/recirculating air/back pressure door motor Climatronic (Automatic Climate Control) A/C System w/ Automatic Control Overview Fresh Air / Recirculating Air / Back Pressure Door Motor -V425-, Position Sensor -G644-
(433) - Sensor ground connection 2 (in Climatronic wiring harness)
(L31) - Connection (5 Volt) (in A/C system wiring harness)
Previous Diagram 80/5 (Tracks 43-56)
Next Diagram 80/7 (Tracks 71-84)