Compressor HVAC: Service and Repair
A/C Compressor
• Perform Guided Fault Finding "A/C compressor first start" whenever a new A/C compressor is installed.
Special tools, testers and auxiliary items required
• Torque Wrench (V.A.G 1331) (5 to 50 Nm)
• ROB 134APF or succeeding model.
• Flush the refrigerant circuit with R134a refrigerant under the following conditions:
• In the event of dirt or other contamination in the refrigerant circuit.
• If vacuum reading is not maintained on evacuating a leak-free refrigerant circuit (pressure build-up due to moisture in refrigerant circuit).
• If refrigerant circuit has been left open for longer than normal (for example, following an accident).
• If pressure and temperature measurements in the refrigerant circuit indicate the likelihood of moisture
• In the event of doubt about the amount of refrigerant oil in the circuit.
• The A/C compressor had to be replaced on account of internal damage (for example, noise or no output).
• If only the auxiliary component bracket is being removed, it is not necessary to loosen the refrigerant lines on the A/C compressor. Attach the A/C compressor to the body with wire.

ELSA contains information regarding performing repairs on vehicles with air conditioning and working with refrigerant.
Removing
- When working on the refrigerant circuit, note the information, refer to => [ Refrigerant Circuit, Specialized Repairs ] Procedures.
- Extract refrigerant using ROB 134APF , only then open the refrigerant circuit. See notes, refer to => [ Refrigerant Circuit System Overview ] Refrigerant Circuit System Overview.

- Remove the noise insulation under the engine.
Depending on the engine type, remove the right front wheel housing liner..
- Remove the ribbed belt.
Danger due to refrigerant coming out under pressure.
Danger of frost bite to skin and other parts of the body.
• Extract the refrigerant and immediately open the refrigerant circuit after that.
• If the refrigerant was extracted more than 10 minutes in the past and the refrigerant circuit was not opened, extract the refrigerant again. Pressure in the refrigerant circuit is caused by evaporation.
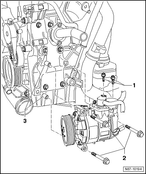
- Remove the bolts - 1 - (22 +/- 1 Nm) and disconnect the refrigerant lines from the A/C compressor.
- Disconnect the connectors on the A/C compressor.
- Remove the hex bolts - 2 - (25 +/- 2 Nm) and then remove the A/C compressor.
Installing
• Perform Guided Fault Finding "A/C compressor first start" whenever a new A/C compressor is installed.

- Make sure alignment bushings - 3 - are seated correctly.
- Secure bolts - 1 - (22 +/- 1 Nm) and bolts - 2 - (25 +/- 2 Nm).
- After installing a new A/C compressor or fresh refrigerant oil has been filled into compressor (for example after blowing through the A/C system), turn ribbed belt pulley of A/C compressor 10 rotations by hand before starting the engine. This prevents damage to the A/C compressor.
- Start the engine only after assembling the refrigerant circuit.
Pay attention to the following when starting the engine for the first time after filling the refrigerant circuit:
- Start engine with A/C compressor already turned off (indicator lamp button AC is off) and wait until the idle RPM as been attained.
- Open the instrument panel vents.
- Select the temperature setting "Lo" on the Climatronic A/C display control head (E87).
- Turn on the A/C compressor (indicator lamp button AC is lit) and let the engine idle for at least 5 minutes.
• The A/C compressor is always driven by the ribbed belt pulley (no A/C clutch).
• If the A/C compressor is blocked, the compressor shaft overload protection is activated. The blockage is mostly recognized by deformations/bumps on the ribbed belt pulley. In addition, the blockage can be recognized by the abraded rubber in the area of the ribbed belt pulley.
• The A/C compressor is equipped with a protected oil supply, this prevents A/C compressor damage in the event that the system is empty. This means that approximately 40 to 50 cm3 of refrigerant oil remains in the A/C compressor.
• Only start the engine when the refrigerant circuit is filled.
• The engine may only be started when the refrigerant circuit is installed correctly. For example; if the refrigerant lines are not connected to A/C compressor, when the engine is running the A/C compressor may heat up (via internal heat generation) so much that the A/C compressor will be damaged.
• A/C Compressor Regulator Valve (N280) is not activated when the refrigerant circuit is empty and the A/C compressor idles with the engine.
• If it is necessary to start the engine with a discharged refrigerant circuit:
• Refrigerant circuit must be fully assembled.
• At least 1/4 of the prescribed refrigerant oil must be in the A/C compressor.
• Do not rev engine higher than 2000 rpm.
• The engine should only run as long as is absolutely necessary, maximum 10 minutes.
- Perform remaining installation operations in reverse order of removal.