Operation CHARM: Car repair manuals for everyone.

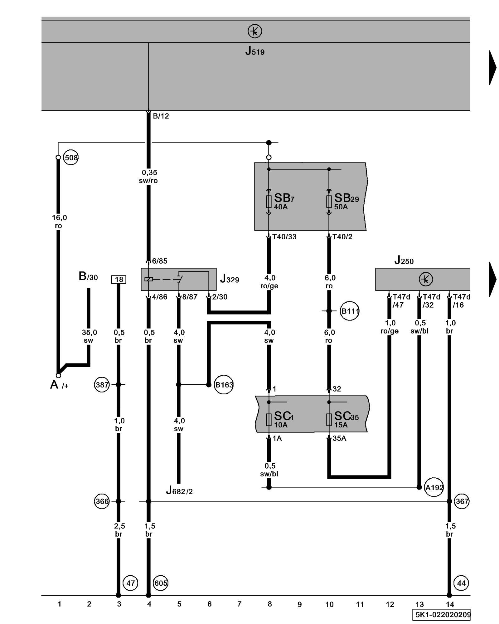
Diagram 22/2 (Tracks 1-14)






IMPORTANT NOTE:
This manufacturer uses "Track" style wiring diagrams.
For information on how to use these diagrams effectively, please refer to Diagram Information and Instructions. Diagram Information and Instructions


Electronic Damping Control Module, Power Supply Relay (terminal 15)





ws = white
sw = black
ro = red
br = brown
gn = green
bl = blue
gr = grey
li = lilac
ge = yellow
or = orange
rs = pink

A - Battery

B - Starter

J250 - Electronic Damping Control Module, in right rear side panel Control Modules in The Rear Of The Vehicle Electronic Damping Component Views Diagrams

J329 - Power Supply Relay (terminal 15) (53) Overview Of Relay Carrier

J519 - Vehicle Electrical System Control Module Control modules in front part of vehicle - Overview of Control Modules

J682 - Power Supply Relay (terminal 50) Overview Of Relay Carrier

SB7 - Fuse 7 (on fuse panel B) Fuse overview (SA), (SB), (SC)

SB29 - Fuse 29 (on fuse panel B) Fuse overview (SA), (SB), (SC)

SC1 - Fuse 1 (on fuse panel C) Fuse overview (SA), (SB), (SC)

SC35 - Fuse 35 (on fuse panel C) Fuse overview (SA), (SB), (SC)

T40 - 40-Pin Connector

T47d - 47-Pin Connector

(44) - Ground Connection (on left lower A-pillar) Overview Of Ground Connections in Interior

(47) - Ground Connection (in front right footwell) Overview Of Ground Connections in Interior

(366) - Ground Connection 1 (in main wiring harness)

(367) - Ground Connection 2 (in main wiring harness)

(387) - Ground Connection 22 (in main wiring harness)

(508) - Threaded Connection terminal 30 (on electronics box)

(605) - Ground Connection (on upper steering column) Overview Of Ground Connections in Interior

(A192) - Plus Connection 3 (15a) (in instrument panel wiring harness)

(B163) - Plus Connection 1 (15) (in interior wiring harness)

(B111) - Plus Connection 1 (30a) (in interior wiring harness)

Next Diagram 22/3 (Tracks 15-28)