2.0L TDI Manual
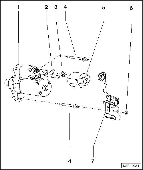
Starter Overview

1 - Starter
• Removing and installing, refer to => [ Starter ] Service and Repair.
• Checking, refer to => [ Starter, Checking ] Testing and Inspection.
2 - Connection B+ Wire To Starter
3 - Mounting nut B+ Wire To Starter
• 15 Nm
• M8
4 - Starter Bolts
• 75 Nm
• M12
5 - Cap
6 - Mounting Nuts, Wiring Bracket
• 23 Nm
• M8
7 - Wiring Bracket
No Illustration
• Screw, air filter housing to body - 10 Nm