2.0L TFSI Manual
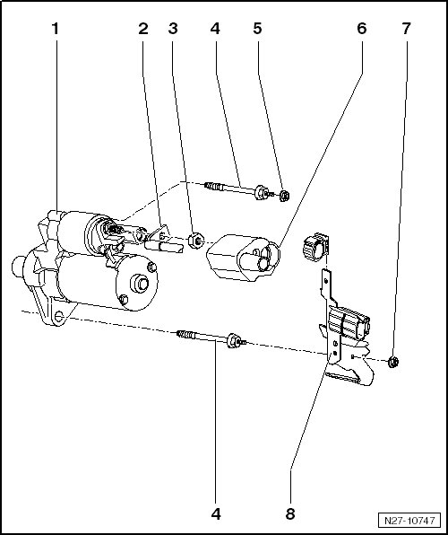
Starter Overview

1 - Starter
• Removing and installing, refer to => [ Starter ] Service and Repair.
• Checking, refer to => [ Starter, Checking ] Testing and Inspection.
2 - Connection B+ wire to starter
3 - Mounting nut B+ wire to starter
• 20 Nm
• M8
4 - Starter bolts
• 80 Nm
• M12
5 - Nut
• 20 Nm
• M8
6 - Cap
7 - Wiring Bracket Nut
• 20 Nm
• M8
8 - Wiring Bracket
- - Mounting Bolt, Air Filter Housing To Body
• 10 Nm
• Not illustrated