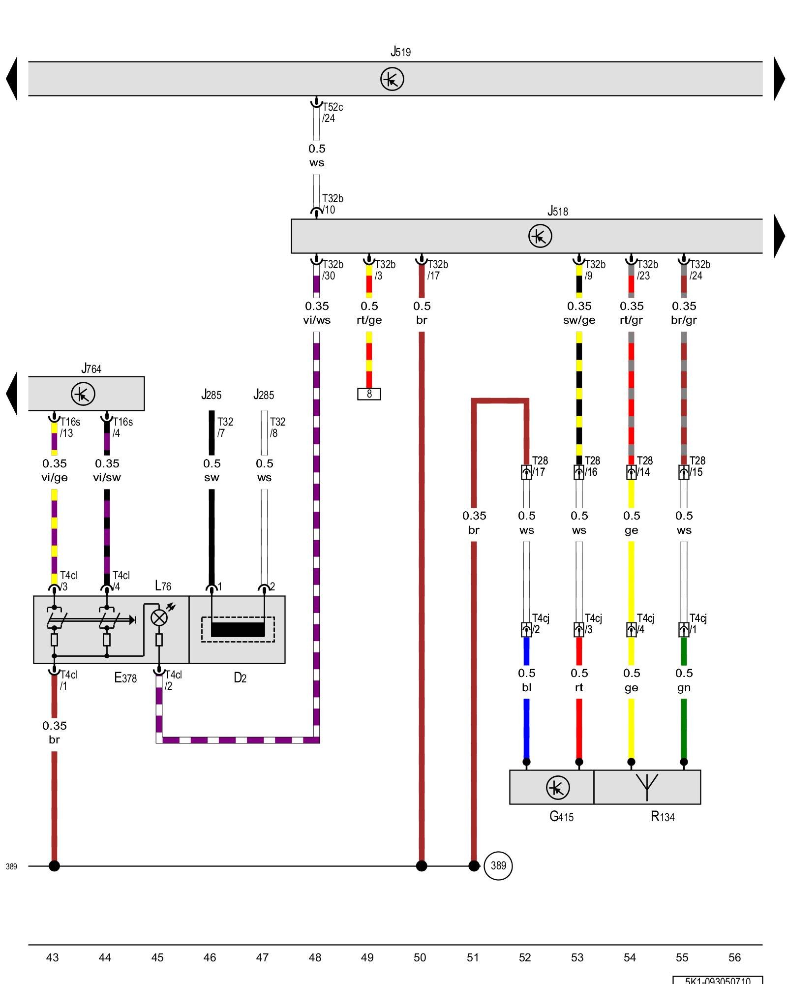
Diagram 93/5 (Tracks 43-56)
IMPORTANT NOTE:
This manufacturer uses "Track" style wiring diagrams.
For information on how to use these diagrams effectively, please refer to Diagram Information and Instructions. Diagram Information and Instructions
Anti-theft immobilizer reader coil, Start system button, Driver exterior door handle touch sensor, Access/start authorization control module, Electronic steering column lock control module, Driver access/start authorization antenna

ws = white
sw = black
ro = red
br = brown
gn = green
bl = blue
gr = grey
li = lilac
ge = yellow
or = orange
rs = pink
D2 - Anti-theft immobilizer reader coil
E378 - Start system button
G415 - Driver exterior door handle touch sensor
J285 - Instrument cluster control module
J518 - Access/start authorization control module, under the instrument panel, center
J519 - Vehicle electrical system control module Control modules in front part of vehicle - Overview of Control Modules
J764 - Electronic steering column lock control module Control modules in front part of vehicle - Overview of Control Modules
L76 - Push button illumination bulb
R134 - Driver access/start authorization antenna
T4cj - 4-pin connector
T4cl - 4-pin connector
T16s - 16-pin connector
T28 - 28-pin connector, in the left A-pillar connector station Overview of connector stations and connectors
T32 - 32-pin connector
T32b - 32-pin connector
T52c - 52-pin connector
(389) - Ground connection 24 (in main wiring harness)
Previous Diagram 93/4 (Tracks 29-42)
Next Diagram 93/6 (Tracks 57-70)