Operation CHARM: Car repair manuals for everyone.

Anti-Lock Brake System







Anti-lock Brake System

ABS Mark 70 (ABS/ASR)







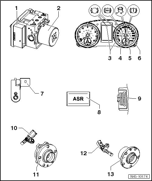
1 ABS Control Module -J104-
Located at the hydraulic unit in the right side engine compartment.
2 ABS Hydraulic Unit -N55-
Includes ABS Hydraulic Pump -V64-
Valve block (contains the in/outlet valves).
Located at the right side engine compartment.
ABS Mark 60 EC (ABS/EDS/ASR/ESP) locationABS Mark 60 EC (ABS/EDS/ASR/ESP)
3 Brake Pad Wear Indicator Lamp -K32-
Located in the instrument panel
4 ABS Warning Lamp -K47-
Located in the instrument panel
5 Traction Control Indicator Lamp -K86-
Located in the instrument panel
6 Brake System Warning Lamp -K118-
Located in the instrument panel
7 Brake Light Switch -F- => [ Brake Light Switch ] See Image Below.
Includes Brake Pedal Switch -F47-
Located at the master brake cylinder
ABS Mark 60 EC (ABS/EDS/ASR/ESP) locationABS Mark 60 EC (ABS/EDS/ASR/ESP)
8 ASR/ESP Button -E256-
Located in the center console
ABS Mark 70 (ABS/ASR) continued





9 - Diagnostic Connection
Located under the cover in the driver footwell

10 - Right Front ABS Wheel Speed Sensor -G45- and Left Front ABS Wheel Speed Sensor -G47- => [ Front Wheel Speed Sensor ] See Image Below.
ABS Mark 60 EC (ABS/EDS/ASR/ESP) locationABS Mark 60 EC (ABS/EDS/ASR/ESP)

11 - Wheel Hub with Wheel Bearing
The sensor ring for the ABS is built in the wheel bearing

12 - Right Rear ABS Wheel Speed Sensor -G44- and Left Rear ABS Wheel Speed Sensor -G46-
Rear Wheel Speed Sensor - FWD => [ Rear Wheel Speed Sensor - FWD ] See Image Below.
Rear Wheel Speed Sensor - AWD => [ Rear Wheel Speed Sensor - AWD ] See Image Below.
ABS Mark 60 EC (ABS/EDS/ASR/ESP) locationABS Mark 60 EC (ABS/EDS/ASR/ESP)

13 - Wheel Hub with Wheel Bearing
The sensor ring for the ABS is built in the wheel bearing


Front Wheel Speed Sensor






1 - Front right speed sensor -G45- and Front left speed sensor -G47-

Rear Wheel Speed Sensor - FWD






1 - Right Rear ABS Wheel Speed Sensor -G44- or Left Rear ABS Wheel Speed Sensor -G46-

Rear Wheel Speed Sensor - AWD






1 - Right Rear ABS Wheel Speed Sensor -G44- or Left Rear ABS Wheel Speed Sensor -G46-

Brake Light Switch






1 - Electrical connector
3 - Brake Light Switch -F- with Brake Pedal Switch -F47-