Hydraulic Unit and Brake Booster/Master Cylinder Overview
Hydraulic Unit and Brake Booster/Master Cylinder Overview

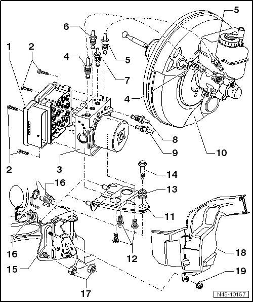
1 ABS Control Module (w/EDL) (J104)
• With Electronic Differential Lock (EDL).
• Removing and installing, refer to => [ Control Module and Hydraulic Unit, with ABS Mark 60 EC (ABS/EDL/ASR/ESP) ] Control Module and Hydraulic Unit, with ABS Mark 60 EC (ABS/EDL/ASR/ESP).
2 Inner TORX(R) Bolt
• 2 Nm + 0.8 Nm.
• Use new bolts.
3 ABS Hydraulic Unit (N55)
• Removing and installing, refer to => [ Control Module and Hydraulic Unit, with ABS Mark 60 EC (ABS/EDL/ASR/ESP) ] Control Module and Hydraulic Unit, with ABS Mark 60 EC (ABS/EDL/ASR/ESP).
4 Brake Line
• Master cylinder primary piston circuit to the hydraulic unit.
• Identification: 6.5 mm diameter and fitting with M12 x 1 threads.
5 Brake Line
• Master cylinder secondary piston circuit to the hydraulic unit.
• Identification: 6.5 mm diameter and fitting with M12 x 1 threads.
6 Brake Line
• To the left front brake caliper.
• Identification: 5.25 mm diameter and fitting with M10 x 1 threads.
7 Brake Line
• To the right front brake caliper.
• Identification: 5.25 mm diameter and fitting with M12 x 1 threads.
8 Brake Line
• To the left rear brake caliper.
• Identification: 5.25 mm diameter and fitting with M12 x 1 threads.
9 Brake Line
• To the right rear brake caliper.
• Identification: 5.25 mm diameter and fitting with M10 x 1 threads.
10 Brake Booster
• Overview, => [ Brake Booster and Master Cylinder Overview ] Brake Booster and Master Cylinder Overview.
• Removing and installing, refer to => [ Brake Booster ] Brake Booster.
11 Bracket
• Spray the rubber bushings - item 16 - with silicone lubricant spray (D 007 000 A2) before installing.
• After installing, make sure it fits properly.
12 TORX(R) Bolt
• 8 Nm
13 Rubber Bushing
14 Bolt
• 8 Nm
15 Bracket
16 Rubber Bushing
• When installing the mount, make sure the rubber bushing does not push out of the bracket.
17 Nut
• 20 Nm
18 Heat Shield
19 Nut
• 8 Nm