Operation CHARM: Car repair manuals for everyone.

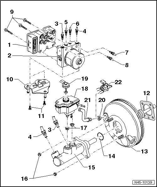
Hydraulic Unit and Brake Booster/Master Cylinder Overview







Hydraulic Unit and Brake Booster/Master Cylinder Overview






1 ABS Control Module (J104)

With Electronic Differential Lock (EDL).

Removing and installing, refer to => [ Control Module and Hydraulic Unit, with ABS Mark 70 (ABS/ASR) ] Control Module and Hydraulic Unit, with ABS Mark 70 (ABS/ASR).

2 ABS Hydraulic Unit (N55)

Removing and installing, refer to => [ Control Module and Hydraulic Unit, with ABS Mark 70 (ABS/ASR) ] Control Module and Hydraulic Unit, with ABS Mark 70 (ABS/ASR).

3 Brake Line

Master cylinder to the primary piston circuit in the hydraulic control unit.

Identification: Fitting with M10 x 1 threads.

4 Brake Line

Master cylinder to the secondary piston circuit in the hydraulic control unit.

Identification: Fitting with M12 x 1 threads.

5 Brake Line

To the left front brake caliper.

Identification: Fitting with M12 x 1 threads.

6 Brake Line

To the right front brake caliper.

Identification: Fitting with M10 x 1 threads.

7 Brake Line

To the left rear brake caliper.

Identification: Fitting with M12 x 1 threads.

8 Brake Line

To the right rear brake caliper.

Identification: Fitting with M10 x 1 threads.

9 Inner TORX(R) Bolt

5.5 Nm

Use new bolts.

10 Bracket

11 Bolt

8 Nm

12 Gasket

For the brake booster.

13 Brake Booster

Overview, refer to => [ Brake Booster and Master Cylinder Overview ] Brake Booster and Master Cylinder Overview.

Removing and installing, refer to => [ Brake Booster ] Brake Booster.

14 Seal

15 Brake Master Cylinder

Allocation, refer to the Parts Catalog.

Cannot be serviced. Replace as a complete unit if malfunctioning.

Removing and installing, refer to => [ Master Cylinder ] Master Cylinder.

16 Nut

25 Nm

Always replace if removed.

17 Plug

Lubricate with brake fluid and press into the brake fluid reservoir.

18 Brake Fluid Reservoir

19 Cap

20 Grommet

Connection for the vacuum hose.

21 Vacuum Hose

Inserts into the brake booster.

22 Vacuum Sensor (G608)

On vehicles with a hydraulic brake booster.

Removing and installing, refer to => [ Vacuum Sensor G608 ] Vacuum Sensor G608.