Clutch Hydraulic System: Description and Operation
Hydraulic System Overview

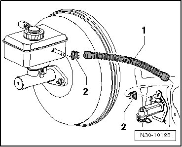
1 Brake Fluid Reservoir
2 Spring Clamp
• Not installed on all vehicles.
3 Supply Hose
• May be made of rubber.
• As of 12.05, is made of plastic. Refer to => [ Plastic Supply Hose ].
4 Master Cylinder
• Removing and installing, refer to => [ Clutch Master Cylinder ] Service and Repair.
5 Clip
• To remove and install the hose/line assembly or pipe, pull the clip all the way out.
• On some master cylinders, it is pulled out to the side.
6 Seal/O-ring
• Installed on the hose/pipe assembly or pipe connection.
• Install using brake fluid.
• Version, refer to => [ Seal/O-ring for the Hose/Line Assembly or Pipe ].
• Allocation, refer to the Parts Catalog.
7 Mount
• To remove and install, detach the master cylinder from the clutch pedal.
• Removing and installing, refer to the following:
GTI (2006-2009) and Golf/GTI (from 2010), refer to => [ Clutch Pedal ] Clutch Pedal.
8 Clutch Pedal
• Removing and installing, refer to the following:
GTI (2006-2009) and Golf/GTI (from 2010), refer to => [ Clutch Pedal ] Clutch Pedal.
9 Nut
• See - item 15 - in the => [ Clutch Pedal Overview ] Description and Operation.
10 Hose/Line Assembly
• Allocation, refer to the Parts Catalog.
• To remove and install the hose/line assembly, remove the battery and battery tray.
11 Bracket
• For the hose/line assembly - item 10 -.
• Attached to the body.
• Covered by the assembly mounting.
• Bracket differentiation, refer to => [ Bracket Differentiation ].
12 Pipe
• Allocation, refer to the Parts Catalog.
• To remove and install the pipe, remove the battery and battery tray.
13 Bracket
• For the pipe - item 12 -.
• Attached to the body.
• Covered by the assembly mounting.
• Bracket differentiation, refer to => [ Bracket Differentiation ].
14 Seal/O-ring
• Installed on the hose/pipe assembly or pipe connection.
• Install using brake fluid.
• Version, refer to => [ Seal/O-ring for the Hose/Line Assembly or Pipe ].
• Allocation, refer to the Parts Catalog.
15 Breather Assembly
16 Clip
• To remove and install the hose/line assembly, the pipe or the bleeder: Pull the clip out to the stop.
17 Breather Valve
• Bleed the clutch system. Refer to => [ Clutch System, Bleeding ] Procedures.
18 Cap
19 Clutch Slave Cylinder
• The gasket can only be replaced when the transmission is removed.
• Removing and installing, refer to => [ Slave Cylinder with Release Bearing ] Service and Repair.
20 Transmission
Seal/O-ring for the Hose/Line Assembly or Pipe


• The seal/O-ring must be installed in the groove - arrows 1 and 3 -.
Plastic Supply Hose

• The seals - 2 - must be inside the supply hose - 1 -.
Bracket Differentiation

