Operation CHARM
: Car repair manuals for everyone.
Home
>>
Volkswagen
>>
2012
>>
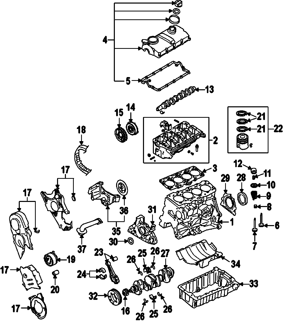
Golf (5K1) L4-2.0L DSL Turbo (CJAA)
>>
Parts and Labor
>>
Engine, Cooling and Exhaust
>>
Engine
>>
Images
Images
Engine: