Operation CHARM: Car repair manuals for everyone.

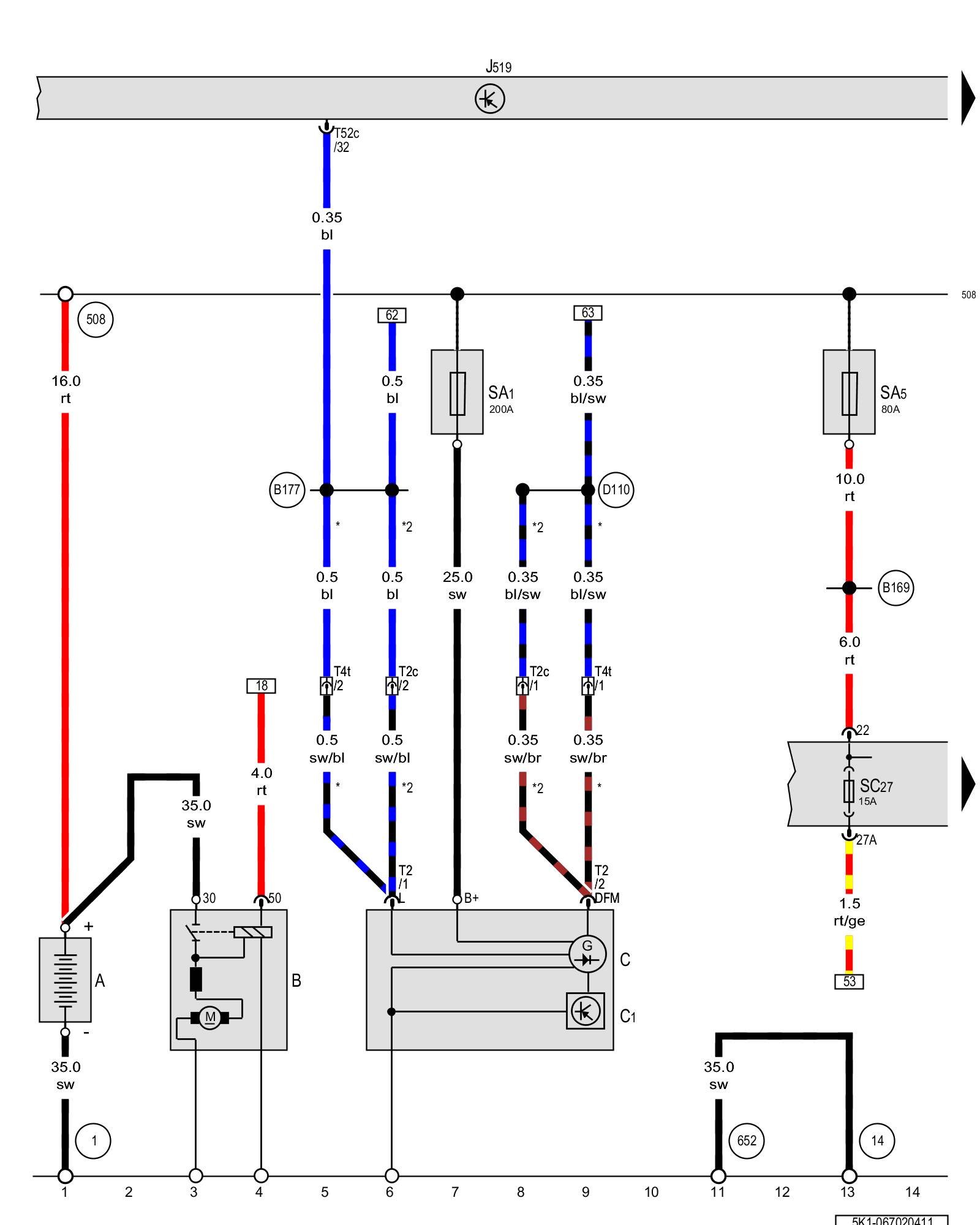
Diagram 67/2 (Tracks 1-14)






IMPORTANT NOTE:
This manufacturer uses "Track" style wiring diagrams.
For information on how to use these diagrams effectively, please refer to Diagram Information and Instructions. Diagram Information and Instructions


Battery, Starter, Generator, Fuse 1 (on fuse panel A), Fuse 5 (on fuse panel A), Fuse 27 (on fuse panel C)





ws = white
sw = black
ro = red
br = brown
gn = green
bl = blue
gr = grey
li = lilac
ge = yellow
or = orange
rs = pink

A - Battery

B - Starter

C - Generator

C1 - Voltage regulator

J519 - Vehicle electrical system control module Control modules in front part of vehicle - Overview of Control Modules

SA1 - Fuse 1 (on fuse panel A) Fuse overview (SA), (SB), (SC)

SA5 - Fuse 5 (on fuse panel A) Fuse overview (SA), (SB), (SC)

SC27 - Fuse 27 (on fuse panel C) Fuse overview (SA), (SB), (SC)

T2 - Double connector

T2c - Double connector, near the starter Overview of connector stations and connectors

T4t - 4-pin connector, near the starter Overview of connector stations and connectors

T52c - 52-pin connector

(1) - Ground strap, battery to body

(14) - Ground connection on transmission

(508) - Terminal 30 threaded connection (on E-box)

(652) - Transmission/engine ground connection

(B169) - Positive connection 1 (30) (in interior wiring harness)

(B177) - Connection (61) (in interior wiring harness)

(D110) - Connection (8) (in engine compartment wiring harness)

* - Only for vehicles with A/C system

*2 - Only for vehicles without an A/C system

Next Diagram 67/3 (Tracks 15-28)