Steering Column Switch, Through 05.10, Overview
Steering Column Switch, Through 05.10, Overview

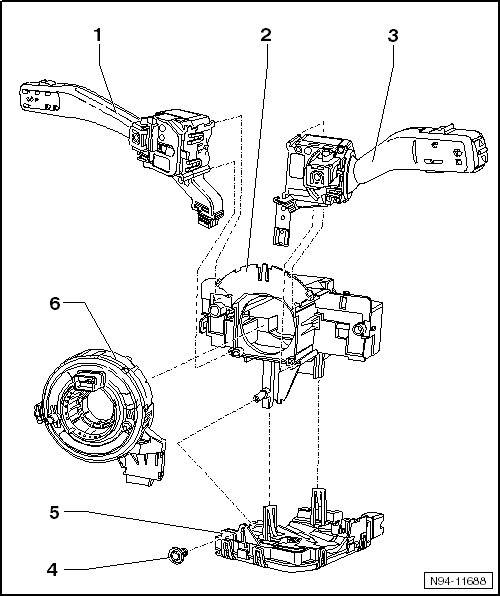
1 - Turn Signal Switch
• A component of the Steering column combination switch (E595) => [ Steering Column Combination Switch (E595), Through 05.10 ] Steering Column Combination Switch (E595), Through 05.10.
• Observe removal and installation sequence. Refer to => [ Steering Column Switch Components, Removal and Installation Sequence ] Steering Column Switch Components, Removal and Installation Sequence.
• Removing and installing, refer to => [ Turn Signal Switch (E2) ] Turn Signal Switch (E2).
• The "turn signal switch" contains the Turn signal switch (E2) , the Headlamp dimmer/flasher switch (E4) and Cruise control switch (E45) (depending on the vehicle equipment level).
• In the illustration, the "turn signal switch" is depicted without Cruise Control Switch (E45).
2 - Base Carrier For Steering Column Switches
• A component of the Steering column combination switch (E595) => [ Steering Column Combination Switch (E595), Through 05.10 ] Steering Column Combination Switch (E595), Through 05.10.
• Observe removal and installation sequence. Refer to => [ Steering Column Switch Components, Removal and Installation Sequence ] Steering Column Switch Components, Removal and Installation Sequence.
• Removing and installing, refer to => [ Steering Column Switch Base Plate ] Steering Column Switch Base Plate.
3 - Windshield Wiper Switch (E)
• A component of the Steering column combination switch (E595) => [ Steering Column Combination Switch (E595), Through 05.10 ] Steering Column Combination Switch (E595), Through 05.10.
• Observe removal and installation sequence. Refer to => [ Steering Column Switch Components, Removal and Installation Sequence ] Steering Column Switch Components, Removal and Installation Sequence.
• Removing and installing, refer to => [ Windshield Wiper Switch (E) ] Windshield Wiper Switch (E).
4 - Bolt
5 - Steering Column Electronic Systems Control Module (J527)
• Observe removal and installation sequence. Refer to => [ Steering Column Switch Components, Removal and Installation Sequence ] Steering Column Switch Components, Removal and Installation Sequence.
• Removing and installing, refer to => [ Steering Column Electronic Systems Control Module (J527) ] Steering Column Electronic Systems Control Module (J527).
• Coding, refer to => [ Steering Column Electronic Systems Control Module (J527), Through 05.10, Coding ] Steering Column Electronic Systems Control Module (J527), Through 05.10, Coding.
6 - Airbag Spiral Spring/Return Spring With Slip Ring (F138)
• Observe removal and installation sequence. Refer to => [ Steering Column Switch Components, Removal and Installation Sequence ] Steering Column Switch Components, Removal and Installation Sequence.
• Removing and installing, refer to => [ Airbag Spiral Spring/Return Spring With Slip Ring (F138) ] Airbag Spiral Spring/Return Spring With Slip Ring (F138).