Operation CHARM: Car repair manuals for everyone.

2.0L CJAA TDI







Engine Management System

2.0L CJAA TDI


Fuel System Assembly Overview





6 - Fuel Pressure Regulator Valve -N276-

7 - Rail Element (High Pressure Reservoir)

8 - Fuel Temperature Sensor -G81-

10 - Fuel High Pressure Pump => [ ]
With Fuel Metering Valve -N290-

13 - Fuel Supply Line
From Auxiliary Fuel Pump -V393- /Fuel pump 2 -V277- => [ Auxiliary Fuel Pump ]

14 - Fuel Pressure Sensor -G247- => [ Fuel Pressure Sensor and Fuel Injector ]

20 - Fuel Injection Unit => [ Fuel Pressure Sensor and Fuel Injector ]

Intake Manifold Assembly Overview





1 - Intake Manifold
With Intake Flap Motor -V157-

9 - Throttle Valve Control Module -J338-

13 - EGR Vacuum Regulator Solenoid Valve -N18-
With EGR Potentiometer -G212-

Air Filter Assembly Overview





2 - Mass Air Flow (MAF) Sensor -G70-

Turbocharger Assembly Overview





5 - Vacuum Hose => [ Vacuum Hose ]
To Wastegate Bypass Regulator Valve -N75-

6 - Vacuum Diaphragm => [ Vacuum Hose ]
With Charge Pressure Actuator Position Sensor -G581-
Unit with turbocharger and exhaust manifold (cannot be replaced separately)

14 - Turbocharger
Unit with exhaust manifold and vacuum diaphragm (cannot be replaced separately)

35 - Intake Scoop
With Positive Crankcase Ventilation (PCV) Heating Element -N79-

37 - Exhaust Gas Temperature (EGT) Sensor 1 -G235-

A - EGR cooler switch-over valve -N345-
Located on top of EGR valve

Charge Air Cooler Components Overview





3 - Charge Air Cooler

6 - To Throttle Valve Control Module -J338-

8 - Charge Air Pressure Sensor -G31-
Integrated with Intake Air Temperature (IAT) Sensor -G42-

Cooling System Component Engine Side





5 - Engine Coolant Temperature (ECT) Sensor -G62-

Cylinder Head Assembly Overview





15 - Camshaft Position (CMP) Sensor -G40-

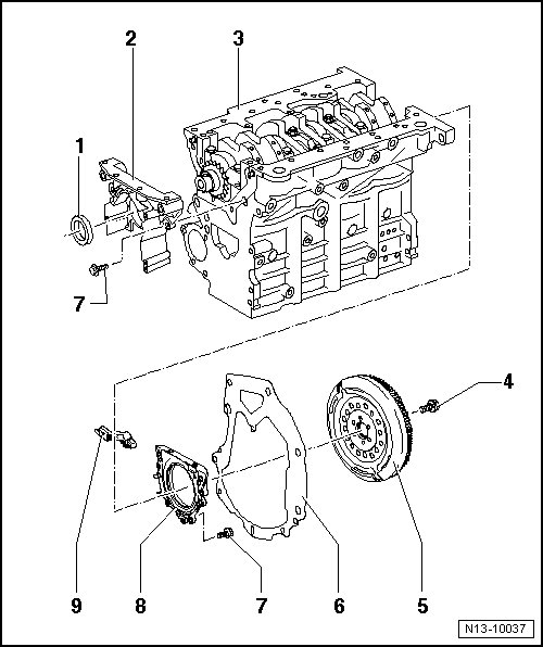
Flywheel Assembly Overview





9 - Engine Speed (RPM) Sensor -G28-

Oil Filter Bracket and Oil Cooler Assembly Overview





7 - Oil Pressure Switch -F1-

Oil Pump and Oil Pan Assembly Overview





17 - Oil Level Thermal Sensor -G266-

Particulate Filter with NOx Absorption Catalytic Converter
Overview






1 - Exhaust Pressure Sensor 2 -G451-
Located near oil filler neck

8 - Heated Oxygen Sensor (HO2S) -G39-

12 - Exhaust Gas Temperature (EGT) Sensor 4 -G648-

15 - To Exhaust Flap Control Module -J883-

16 - Oxygen Sensor (O2S) Behind Three Way Catalytic Converter (TWC) -G130-

17 - NOx Reduction Catalytic Converter

22 - Exhaust Gas Temperature (EGT) Sensor 2 -G448-

23 - Exhaust Gas Temperature (EGT) Sensor 3 -G495-

33 - Exhaust Pressure Sensor 1 -G450- /Differential pressure sensor -G505-
Bolted to auxiliary fuel pump -V393 - bracket

Exhaust Gas Recirculation System Overview





14 - EGR Valve 2 -N213-

17 - EGR Temperature Sensor -G98-

Exhaust Flap Control Module Overview





4 - Exhaust Flap Control Module -J883-

5 - Reduction Catalytic Converter



Fuel High Pressure Pump







1 - Fuel Temperature Sensor -G81-
2 - Fuel Metering Valve -N290- on the high pressure fuel pump


Fuel Pressure Sensor and Fuel Injector







A - Cylinder 1 through 4 fuel injector
- Cylinder 1 Fuel Injector -N30-
- Cylinder 2 Fuel Injector -N31-
- Cylinder 3 Fuel Injector -N32-
- Cylinder 4 Fuel Injector -N33-
C - Fuel Pressure Sensor -G247-


Auxiliary Fuel Pump







1 - Auxiliary Fuel Pump -V393- /Fuel pump 2 -V277- connector


Vacuum Hose







1 - Vacuum Diaphragm
Integrated with Charge Pressure Actuator Position Sensor -G581-
Located at the turbocharger

2 - Wastegate Bypass Regulator Valve -N75-



Alarm Horn







3 - Alarm Horn -H12-
- Located at the right on the A-pillar in the fender