Operation CHARM: Car repair manuals for everyone.

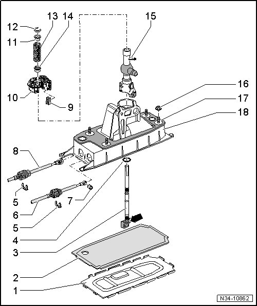
Shift Lever and Housing, From 11.06






Shift Lever and Housing, from 11.06

Lubricate the bearing areas and the sliding surfaces.

Grease allocation, refer to the Parts Catalog.

Selector mechanism disassembly and assembly. Refer to => [ Selector Mechanism ] Selector Mechanism.






1 Base Plate

Bend the tabs down in order to remove.

Always replace.

Attaching, refer to => [ Attaching the Base Plate to the Shift Housing ] Selector Mechanism.

2 Gasket

Always replace.

3 Selector Lever

Can be removed and installed with the shift lever guide (- item 15 -) installed.

4 Washer

Slide onto the shift lever as far as the stop - arrow -.

5 Lock Washer

Be careful not to damage the cables when removing them.

Always replace.

6 Selector Cable

Pry off of the selector bracket.

Press onto the selector bracket inside the shift mechanism.

Installed position, refer to => [ Shift Mechanism, Installed Position ] Shift Mechanism, Installed Position.

7 Bushing

8 Shift Cable

Pry off of the shift lever guide.

Press onto the shift lever guide inside the shift mechanism.

Installed position, refer to => [ Shift Mechanism, Installed Position ] Shift Mechanism, Installed Position.

9 Insulation

10 Bearing Shell

Will get damaged when being removed.

Always replace.

11 Bushing

12 Lock Washer

Removing and installing, refer to => [ Lock Washer, Removing and Installing ].

13 Pressure Spring

14 Bushing

15 Shift Lever Guide

16 Nut

M6: 8 Nm

M8: 25 Nm

Quantity: 4

17 Gasket

Between the shift housing and the underbody.

With self adhesive.

Affix to the shift housing.

18 Shift Housing

With the pressure spring and selector bracket.

The pressure spring and selector bracket cannot be removed.

Lock Washer, Removing and Installing





- Push the bushing - arrow B - all the way down in the - direction of arrow C - and remove or install the lock washer - arrow A -.

Do not tilt the bushing when pushing it down.

The slot in the lever for the circlip must be visible.

Carefully release the tension on the spring.