Bevel Box Output Flange and Seal
Bevel Box Output Flange and Seal
Special tools, testers and auxiliary items required
• Holding Fixture (VW 313)
• Tube 42 mm Dia. (VW 516)
• Thrust Piece (40-105)
• Thrust Piece (T10049)
• Gearbox Support (T10108)
• Stop Plate (T10108/1)
• Tapered Roller Bearing Puller (V.A.G 1582)
• Attachment to VAG 1582 (V.A.G 1582/6A)
• Torque Wrench (V.A.G 1601)
• 2-Arm Puller (20/10)
• 3-Arm Puller (45-2)
• Slide Hammer-Complete Set (VW 771)
• Additional part for VW 771 (VW 771/37)
• Use Oil Collecting and Extracting Device (V.A.G 1782)
• Sealing grease (G 052 128 A1)
• 2 M10 x 30 Bolts
• 4 M12 x 10 Nuts
Removing
• The bevel box output flange seal can only be replaced with the bevel box removed.
- Remove the bevel box.
- Mount the bevel box on the hole marked with the number - 4 - - arrow - in the gearbox support (T10108).

A Place the M12 x 10 nut (quantity: 4) between the bevel box and gearbox support.
- Then align the bevel box to the remaining 3 holes and secure it.
- Place the used oil collecting and extracting device (V.A.G 1782) underneath.
- Drain the transmission fluid from the bevel box.
- Secure the bevel box output flange using the stop plate (T10108/1) by installing the M10 x 30 bolts - arrows -.

- Remove the nut from the output flange.
A 36 mm hex socket, 3/4 inch drive
- Pivot the bevel box so that the output shaft faces upward.
- Remove the output flange from the bevel box shaft bevel gear.

A Three-arm puller, for example, 45-2
• The inner race/tapered roller bearing remains on the output flange when the flange is being removed. The inner race is then removed from the output flange.
- Place the thrust piece (40-105) on the output flange.
- Remove the inner race/tapered roller bearing from the output flange using the tapered roller bearing puller.

• the attachment to VAG 1582 (V.A.G 1582/6) can also be used in place of attachment to VAG 1582 (V.A.G 1582/6A).
- Remove the output shaft seal - A -.

- Clean any remaining locking fluid from the thread on the shaft bevel gear.
Installing
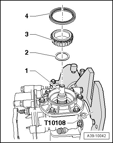
• The previous shim - 2 - for the shaft beveled gear preload - 1 - must be installed.

- Place the bearing inner race/tapered roller bearing - 3 - in the bevel box outer race.
- Lightly lubricate the outer circumference of the new output flange seal - 4 -.
- Install the new seal using the thrust piece (T10049).

- Fill the space between the sealing and dust lip half way with sealing grease for seal (G 052 128 A1).
- Install the output flange using the two-arm puller - A -.

A Two-arm puller, for example, 20/10
- Mount the hooks on the bottom of the pinion housing.
- Coat the threads on the nut with liquid locking fluid (D 000 600 A2).
- Tighten the new output flange nut => [ (Item 1) Nut ] Description and Operation.

A Socket attachment SW 36 for 3/4 inch drive
- Install the bevel box.
- Add gear oil to the bevel box. Refer to => [ Bevel Box Gear Oil Level, Checking and Filling ] Service and Repair.