Accelerator Pedal Module
Accelerator Pedal Module
Special tools, testers and auxiliary items required
• Release Tool (T10238)
Removing
- Remove the steering column cover retainers - arrows - and cover.

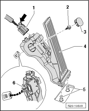
- Pry out the cap - 3 - with a screwdriver.
- Remove the bolt - 2 -.
- Disconnect the connector - 1 - from the accelerator pedal module.

- Slide the release tool (T10238) as shown into the openings designated for it until it stops and remove the accelerator pedal module.

Installing
- Connect the connector - 1 - to the accelerator pedal module - 4 -. Lock the connector - arrow -.

- Press the accelerator pedal module onto the retaining pins - 5 -.
- Insert the centering pin - 6 - into the hole on the body.
- Secure the accelerator pedal module with the bolt - 2 - and install the cap - 3 -.
- Install the steering column cover and retainers - arrows -.
