Operation CHARM: Car repair manuals for everyone.

Passive Occupant Detection System Repair Kit, Power Seats, Installing







Passive Occupant Detection System Repair Kit, Power Seats, Installing

When installing, make sure the seat heating wiring harness does not get caught between the seat cushion and the passenger occupant detection system mat.

Pressure hose must be routed without kinking.

After being connected to the vehicle electrical system, verify that the replaced components can move easily by moving the seat.

After replacing, perform a basic setting on the passenger occupant detection system using a Vehicle Diagnosis Tester that has "Guided Fault Finding".


Basic setting must be performed when seat is not occupied.

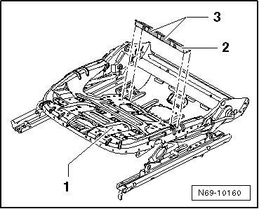
Install in reverse order of removal. Note the following:

- Tape the insert - 2 - to the lower seat frame - 1 - with two-sided tape - 3 - as illustrated.






- Switch on ignition.


Make sure that no persons are in the vehicle.

- Connect the battery.