Operation CHARM: Car repair manuals for everyone.

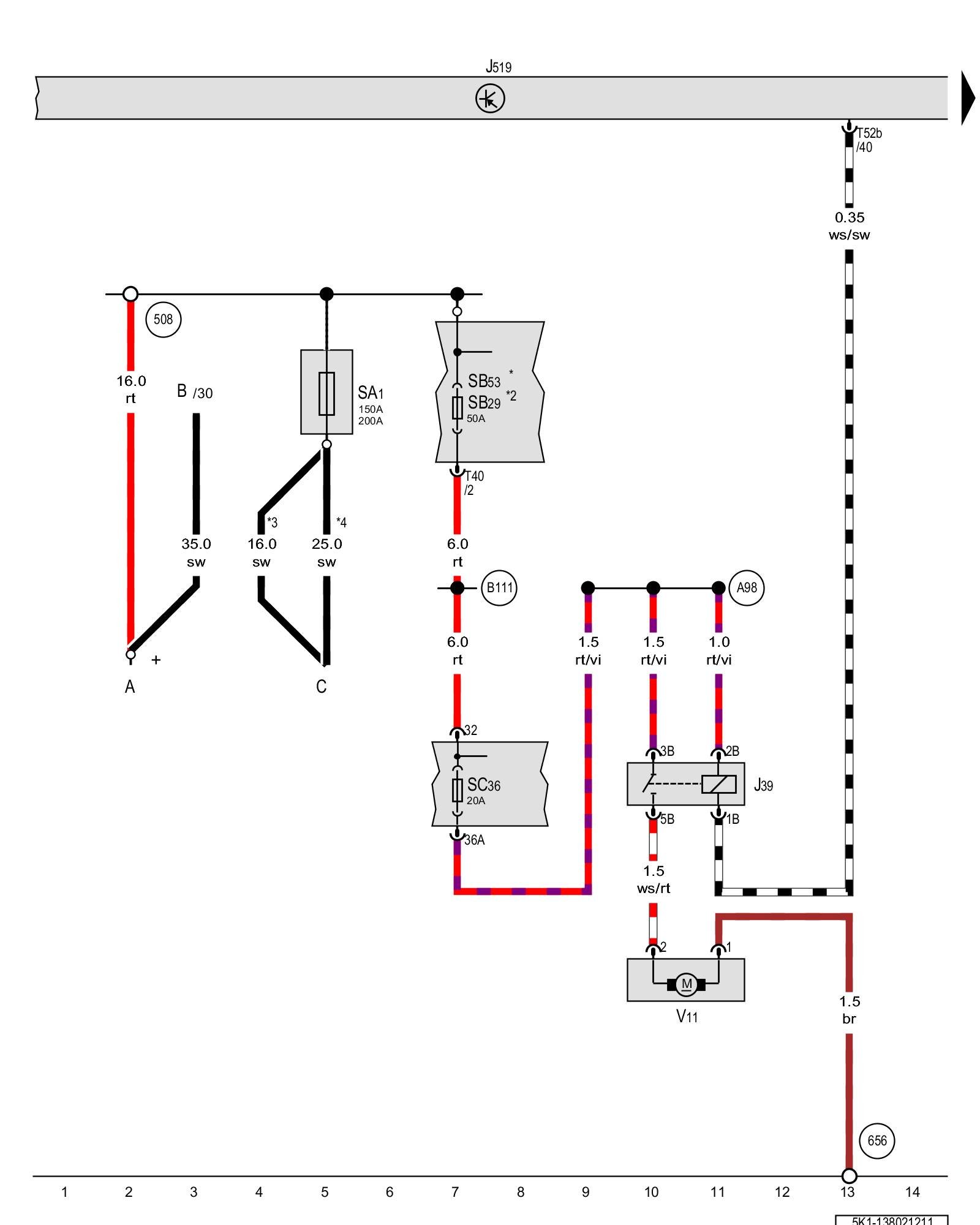
Diagram 138/2 (Tracks 1-14)






IMPORTANT NOTE:
This manufacturer uses "Track" style wiring diagrams.
For information on how to use these diagrams effectively, please refer to Diagram Information and Instructions. Diagram Information and Instructions


Headlamp washer relay, Headlamp washer pump





ws = white
sw = black
ro = red
br = brown
gn = green
bl = blue
gr = grey
li = lilac
ge = yellow
or = orange
rs = pink

A - Battery

B - Starter

C - Generator

J39 - Headlamp washer relay Overview Of Relay Carrier

J519 - Vehicle electrical system control module Control modules in front part of vehicle - Overview of Control Modules

SA1 - Fuse 1 (on fuse panel A) Fuse overview (SA), (SB), (SC)

SB29 - Fuse 29 (on fuse panel B) Fuse overview (SA), (SB), (SC)

SC36 - Fuse 36 (on fuse panel C) Fuse overview (SA), (SB), (SC)

SB53 - Fuse 53 (on fuse panel B) Fuse overview (SA), (SB), (SC)

T40 - 40-pin connector

T52b - 52-pin connector

V11 - Headlamp washer pump

(508) - Terminal 30 threaded connection (on E-box)

(656) - Ground connection on right headlamp

(A98) - Positive connection 4 (30) (in instrument panel wiring harness)

(B111) - Positive connection 1 (30a) (in interior wiring harness)

* - E-Box high

*2 - E-Box low

*3 - Only for vehicles with 90 A/120 A generator

*4 - Only for vehicles with a generator (140 A)

Next Diagram 138/3 (Tracks 15-28)