Operation CHARM: Car repair manuals for everyone.

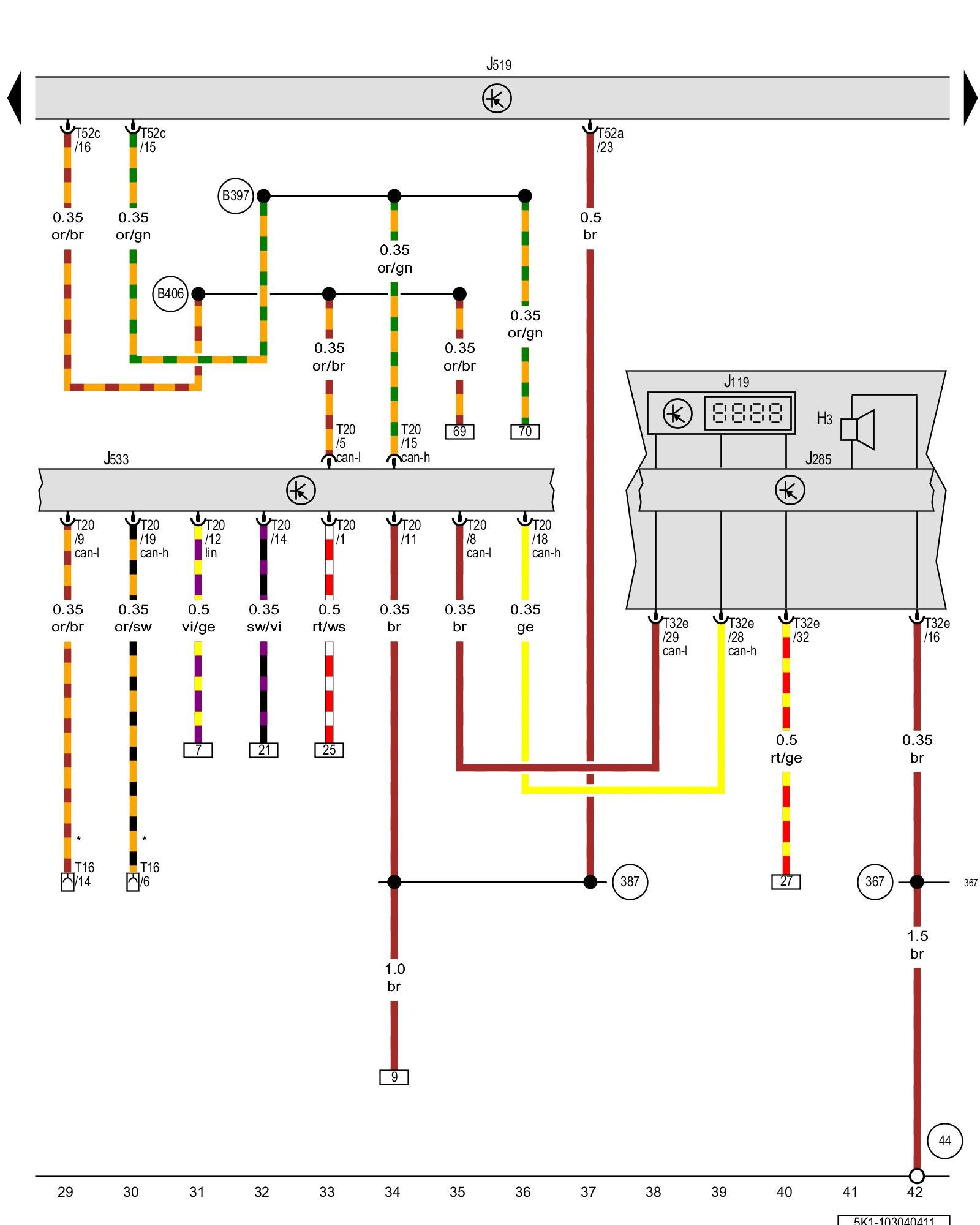
Diagram 103/4 (Tracks 29-42)






IMPORTANT NOTE:
This manufacturer uses "Track" style wiring diagrams.
For information on how to use these diagrams effectively, please refer to Diagram Information and Instructions. Diagram Information and Instructions


Multifunction indicator, Instrument cluster control module, Data bus on board diagnostic interface





ws = white
sw = black
ro = red
br = brown
gn = green
bl = blue
gr = grey
li = lilac
ge = yellow
or = orange
rs = pink

H3 - Warning buzzer and tone

J119 - Multifunction indicator

J285 - Instrument cluster control module

J519 - Vehicle electrical system control module Control modules in front part of vehicle - Overview of Control Modules

J533 - Data bus on board diagnostic interface, in the left footwell, near the center console Control modules in front part of vehicle - Overview of Control Modules

T16 - 16-pin connector, under the instrument panel, left

T20 - 20-pin connector

T32e - 32-pin connector

T52a - 52-pin connector

T52c - 52-pin connector

(44) - Ground connection on A-pillar, lower left

(367) - Ground connection 2 (in main wiring harness)

(387) - Ground connection 22 (in main wiring harness)

(B397) - Comfort system CAN bus high connection 1 (in main wiring harness)

(B406) - Comfort system CAN bus low connection 1 (in main wiring harness)

* - Diagnostic connector

Previous Diagram 103/3 (Tracks 15-28)

Next Diagram 103/5 (Tracks 43-56)