Operation CHARM: Car repair manuals for everyone.

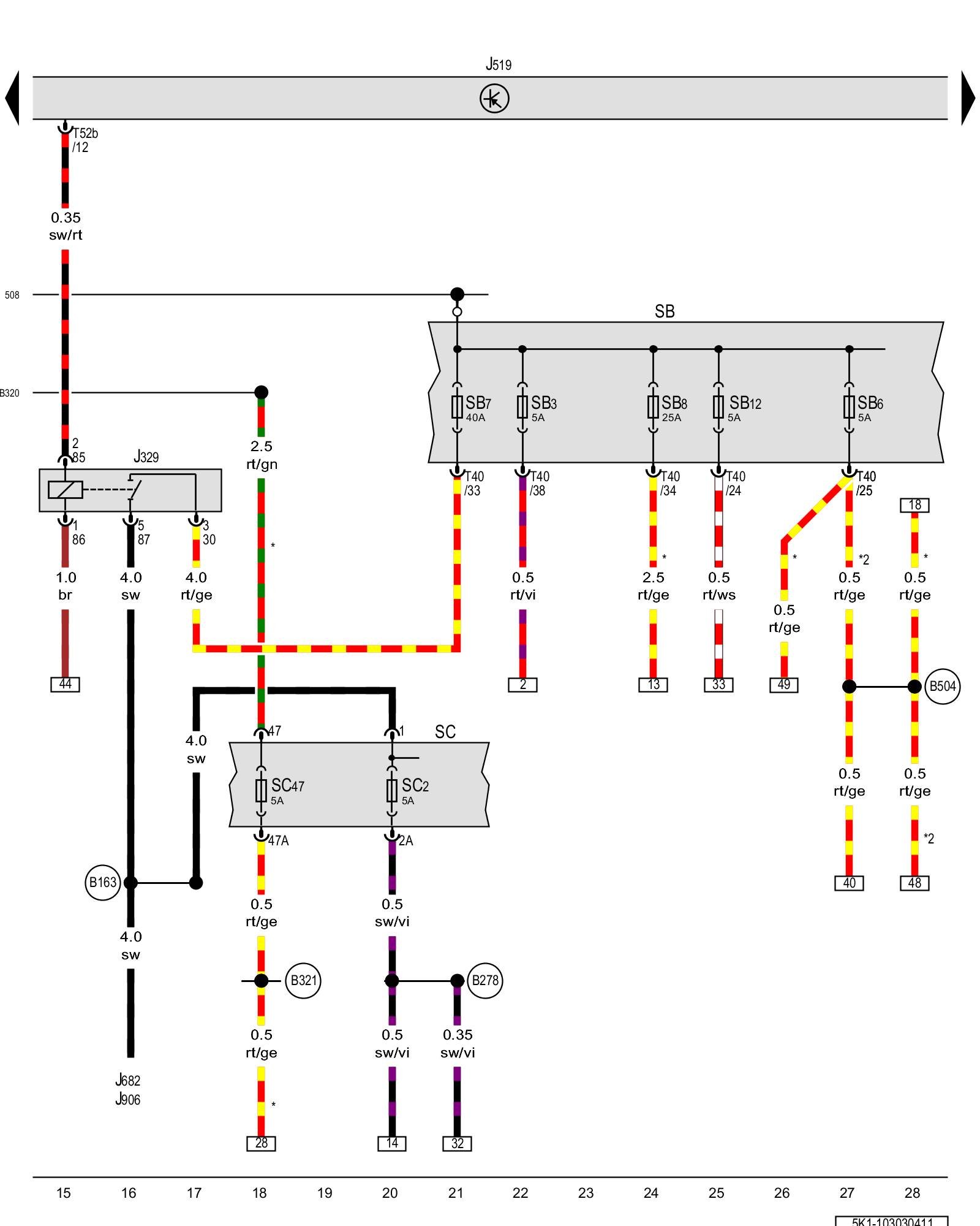
Diagram 103/3 (Tracks 15-28)






IMPORTANT NOTE:
This manufacturer uses "Track" style wiring diagrams.
For information on how to use these diagrams effectively, please refer to Diagram Information and Instructions. Diagram Information and Instructions


Terminal 15 power supply relay, Fuse panel B, Fuse panel C





ws = white
sw = black
ro = red
br = brown
gn = green
bl = blue
gr = grey
li = lilac
ge = yellow
or = orange
rs = pink

J329 - Terminal 15 power supply relay Overview Of Relay Carrier

J519 - Vehicle electrical system control module Control modules in front part of vehicle - Overview of Control Modules

J682 - Terminal 50 power supply relay Overview Of Relay Carrier

J906 - Starter relay 1 Overview Of Relay Carrier

SB - Fuse panel B Fuse overview (SA), (SB), (SC)

SC - Fuse panel C Fuse overview (SA), (SB), (SC)

SC2 - Fuse 2 (on fuse panel C) Fuse overview (SA), (SB), (SC)

SB3 - Fuse 3 (on fuse panel B) Fuse overview (SA), (SB), (SC)

SB6 - Fuse 6 (on fuse panel B) Fuse overview (SA), (SB), (SC)

SB7 - Fuse 7 (on fuse panel B) Fuse overview (SA), (SB), (SC)

SB8 - Fuse 8 (on fuse panel B) Fuse overview (SA), (SB), (SC)

SB12 - Fuse 12 (on fuse panel B) Fuse overview (SA), (SB), (SC)

SC47 - Fuse 47 (on fuse panel C) Fuse overview (SA), (SB), (SC)

T40 - 40-pin connector

T52b - 52-pin connector

(508) - Terminal 30 threaded connection (on E-box)

(B163) - Positive connection 1 (15) (in interior wiring harness)

(B278) - Positive connection 2 (15a) (in main wiring harness)

(B320) - Positive connection 6 (30a) (in main wiring harness)

(B321) - Positive connection 7 (30a) (in main wiring harness)

(B504) - Positive connection 8 (30a) (in interior wiring harness)

* - Only for vehicles with Start/Stop system

*2 - Only for vehicles without Start/Stop system

Previous Diagram 103/2 (Tracks 1-14)

Next Diagram 103/4 (Tracks 29-42)