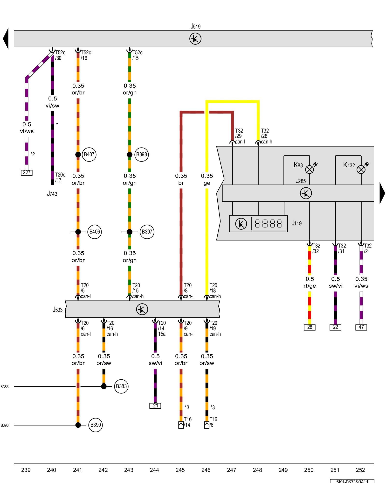
Diagram 67/19 (Tracks 239-252)
IMPORTANT NOTE:
This manufacturer uses "Track" style wiring diagrams.
For information on how to use these diagrams effectively, please refer to Diagram Information and Instructions. Diagram Information and Instructions
Multifunction indicator, Instrument cluster control module, Data bus on board diagnostic interface

ws = white
sw = black
ro = red
br = brown
gn = green
bl = blue
gr = grey
li = lilac
ge = yellow
or = orange
rs = pink
J119 - Multifunction indicator
J285 - Instrument cluster control module
J519 - Vehicle electrical system control module Control modules in front part of vehicle - Overview of Control Modules
J533 - Data bus on board diagnostic interface, in the left footwell, near the center console Control modules in front part of vehicle - Overview of Control Modules
J743 - DSG transmission Mechatronic Direct Shift Gearbox (DSG) Connector Views
K83 - Malfunction indicator lamp
K132 - Electronic power control malfunction indicator lamp
T16 - 16-pin connector
T20 - 20-pin connector
T20e - 20-pin connector
T32 - 32-pin connector
T52c - 52-pin connector
(B383) - Powertrain CAN bus high connection 1 (in main wiring harness)
(B390) - Powertrain CAN bus low connection 1 (in main wiring harness)
(B397) - Comfort system CAN bus high connection 1 (in main wiring harness)
(B398) - Comfort system CAN bus high connection 2 (in main wiring harness)
(B406) - Comfort system CAN bus low connection 1 (in main wiring harness)
(B407) - Comfort system CAN bus low connection 2 (in main wiring harness)
* - Only for vehicles with DSG transmission
*2 - Only for vehicles with a manual transmission
*3 - Diagnostic connector
Previous Diagram 67/18 (Tracks 225-238)
Next Diagram 67/20 (Tracks 253-266)