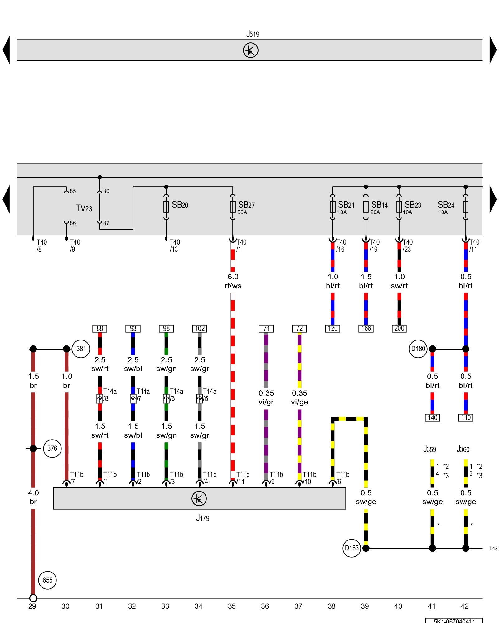
Diagram 67/4 (Tracks 29-42)
IMPORTANT NOTE:
This manufacturer uses "Track" style wiring diagrams.
For information on how to use these diagrams effectively, please refer to Diagram Information and Instructions. Diagram Information and Instructions
Automatic glow time control module, Connection bridge

ws = white
sw = black
ro = red
br = brown
gn = green
bl = blue
gr = grey
li = lilac
ge = yellow
or = orange
rs = pink
J179 - Automatic glow time control module, under the E-box, left Overview Of Relay Carrier [1][2]Diagrams
J359 - Low heat output relay Overview Of Relay Carrier
J360 - High heat output relay Overview Of Relay Carrier
J519 - Vehicle electrical system control module Control modules in front part of vehicle - Overview of Control Modules
SB14 - Fuse 14 (on fuse panel B) Fuse overview (SA), (SB), (SC)
SB20 - Fuse 20 (on fuse panel B) Fuse overview (SA), (SB), (SC)
SB21 - Fuse 21 (on fuse panel B) Fuse overview (SA), (SB), (SC)
SB23 - Fuse 23 (on fuse panel B) Fuse overview (SA), (SB), (SC)
SB24 - Fuse 24 (on fuse panel B) Fuse overview (SA), (SB), (SC)
SB27 - Fuse 27 (on fuse panel B) Fuse overview (SA), (SB), (SC)
T11b - 11-pin connector
T14a - 14-pin connector, near the battery Overview of connector stations and connectors
TV23 - Connection bridge
T40 - 40-pin connector
(376) - Ground connection 11 (in main wiring harness)
(381) - Ground connection 16 (in main wiring harness)
(655) - Ground connection on left headlamp
(D180) - Connection (87a) (in engine compartment wiring harness)
(D183) - Connection 4 (87a) (in engine compartment wiring harness)
* - Only for vehicles with auxiliary heater
*2 - From November 2009
*3 - Through October 2009
Previous Diagram 67/3 (Tracks 15-28)
Next Diagram 67/5 (Tracks 43-56)