Operation CHARM: Car repair manuals for everyone.

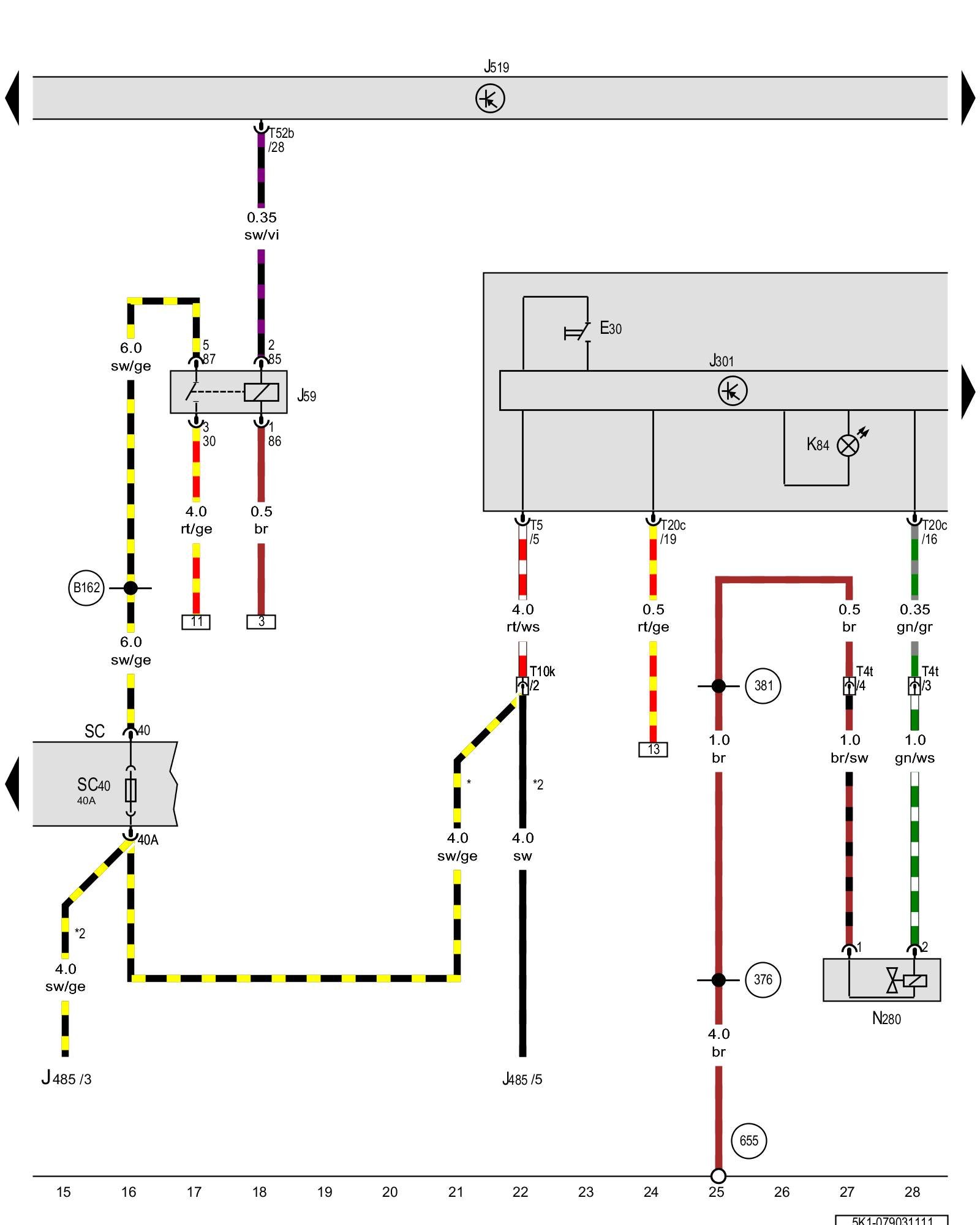
Diagram 79/3 (Tracks 15-28)






IMPORTANT NOTE:
This manufacturer uses "Track" style wiring diagrams.
For information on how to use these diagrams effectively, please refer to Diagram Information and Instructions. Diagram Information and Instructions


Load reduction relay, A/C control module, A/C compressor regulator valve, Fuse panel C





ws = white
sw = black
ro = red
br = brown
gn = green
bl = blue
gr = grey
li = lilac
ge = yellow
or = orange
rs = pink

E30 - A/C switch

J59 - Load reduction relay Overview Of Relay Carrier

J301 - A/C control module, in the instrument panel, center Climatic (Manual Climate Control) A/C System w/ Manual Control Overview A/C Control Module -J301-

J485 - Auxiliary heater operation relay Overview Of Relay Carrier

J519 - Vehicle electrical system control module Control modules in front part of vehicle - Overview of Control Modules

K84 - A/C system indicator lamp

N280 - A/C compressor regulator valve Locations [1][2]Diagrams

SC - Fuse panel C Fuse overview (SA), (SB), (SC)

SC40 - Fuse 40 (on fuse panel C) Fuse overview (SA), (SB), (SC)

T4t - 4-pin connector, near the starter Overview of connector stations and connectors

T5 - 5-pin connector

T10k - 10-pin connector, behind the instrument panel, right Overview of connector stations and connectors

T20c - 20-pin connector

T52b - 52-pin connector

(376) - Ground connection 11 (in main wiring harness)

(381) - Ground connection 16 (in main wiring harness)

(655) - Ground connection on left headlamp Overview Of Ground Connections in Engine Compartment

(B162) - Connection (75a) (in interior wiring harness)

* - Only for vehicles without auxiliary water heater

*2 - Only for vehicles with auxiliary water heater

Previous Diagram 79/2 (Tracks 1-14)

Next Diagram 79/4 (Tracks 29-42)